GB/T 948 - 1988 开槽沉头不脱出螺钉
标准:GB 948-1988 开槽沉头不脱出螺钉
工艺:冷镦
详细信息
GB/T 948 - 1988 开槽沉头不脱出螺钉
材质、等级:4.8级、8.8级、10.9级、12.9级、304、316等。
表面处理:环保蓝白锌,环保彩锌,环保达克罗,锌镍合金,镀镍,环保黑锌等。
盐雾时间:可做48H、72H、120H、240H等。
可做十字一字复合槽、防盗槽型、锁紧螺纹、涂胶螺钉等,可根据客户要求进行定制。
电话咨询:400-086-0001 025-86183701-8026
徐小姐
邮件咨询:dm8026@18luosi.com
QQ咨询:2850588428

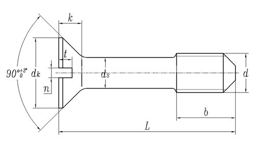
| 公称直径 | M3 | M4 | M5 | M6 | M8 | M10 | ||
| P | 螺距 | 0.5 | 0.7 | 0.8 | 1 | 1.25 | 1.5 | |
| dk | 理论值 | 最大值 | 6.3 | 9.4 | 10.4 | 12.6 | 17.3 | 20 |
| 实际值 | 最大值 | 5.5 | 8.4 | 9.3 | 11.3 | 15.8 | 18.3 | |
| 最小值 | 5.2 | 8 | 8.9 | 10.9 | 15.4 | 17.8 | ||
| k | 最大值 | 1.65 | 2.7 | 2.7 | 3.3 | 4.65 | 5 | |
| n | 公称 | 0.8 | 1.2 | 1.2 | 1.6 | 2 | 2.5 | |
| 最大值 | 1 | 1.51 | 1.51 | 1.91 | 2.31 | 2.81 | ||
| 最小值 | 0.86 | 1.26 | 1.26 | 1.66 | 2.06 | 2.56 | ||
| t | 最大值 | 0.85 | 1.3 | 1.4 | 1.6 | 2.3 | 2.6 | |
| 最小值 | 0.6 | 1 | 1.1 | 1.2 | 1.8 | 2 | ||
| ds | 最大值 | 2 | 2.8 | 3.5 | 4.5 | 5.5 | 7 | |
| 最小值 | 1.86 | 2.66 | 3.32 | 4.32 | 5.32 | 6.78 | ||
| b | 螺纹长度 | 4 | 6 | 8 | 10 | 12 | 15 | |