GB/ T 2670.1 - 2017 内六角花形盘头自攻螺钉
标准:GB /T2670.1-2017 内六角花形盘头自攻螺钉
工艺:冷镦
详细信息
GB/ T 2670.1 - 2017 内六角花形盘头自攻螺钉
材质、等级:4.8级、8.8级、10.9级、12.9级、304、316等。
表面处理:环保蓝白锌,环保彩锌,环保达克罗,锌镍合金,镀镍,环保黑锌等。
盐雾时间:可做48H、72H、120H、240H等。
可做十字一字复合槽、防盗槽型、锁紧螺纹、涂胶螺钉等,可根据客户要求进行定制。
电话咨询:400-086-0001 025-86183701-8026
徐小姐
邮件咨询:dm8026@18luosi.com
QQ咨询:2850588428

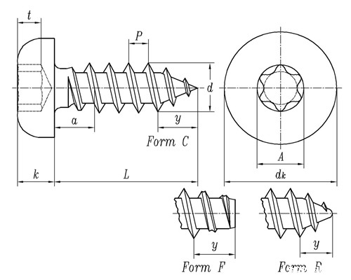
| 公称直径 | ST2.9 | ST3.5 | ST4.2 | ST4.8 | ST5.5 | ST6.3 | ||
| P | 螺距 | 1.1 | 1.3 | 1.4 | 1.6 | 1.8 | 1.8 | |
| a | 1.1 | 1.3 | 1.4 | 1.6 | 1.8 | 1.8 | ||
| dk | 最大值=公称 | 5.6 | 7 | 8 | 9.5 | 11 | 12 | |
| 最小值 | 5.3 | 6.64 | 7.64 | 9.14 | 10.57 | 11.57 | ||
| k | 最大值=公称 | 2.4 | 2.6 | 3.1 | 3.7 | 4 | 4.6 | |
| 最小值 | 2.15 | 2.35 | 2.8 | 3.4 | 3.7 | 4.3 | ||
| y | 参考值 | C型 | 2.6 | 3.2 | 3.7 | 4.3 | 5 | 6 |
| F型 | 2.1 | 2.5 | 2.8 | 3.2 | 3.6 | 3.6 | ||
| R型 | / | 2.7 | 3.2 | 3.6 | 4.3 | 5 | ||
| 槽号 | 10 | 15 | 20 | 25 | 25 | 30 | ||
| A | 参考值 | 2.8 | 3.35 | 3.95 | 4.5 | 4.5 | 5.6 | |
| t | 最大值 | 1.27 | 1.4 | 1.8 | 2.03 | 2.03 | 2.42 | |
| 最小值 | 1.01 | 1.14 | 1.42 | 1.65 | 1.65 | 2.02 | ||