DIN 913 - 1980 内六角平端紧定螺钉
标准:DIN 913-1980 内六角平端紧定螺钉
工艺:冷镦
详细信息
DIN 913 - 1980 内六角平端紧定螺钉
材质、等级:8.8级、10.9级、12.9级 、A2-70、A4-70 、A4-80等
表面处理:镀普通蓝白锌、普通彩锌、热镀锌、环保彩锌、环保蓝白锌、环保达克罗等
盐雾时间:可做72H、96H、120H、300H、360H、720H等高盐雾处理
电话咨询:400-086-0001 025-86183701-8026
徐小姐
邮件咨询:dm8026@18luosi.com
QQ咨询:2850588428

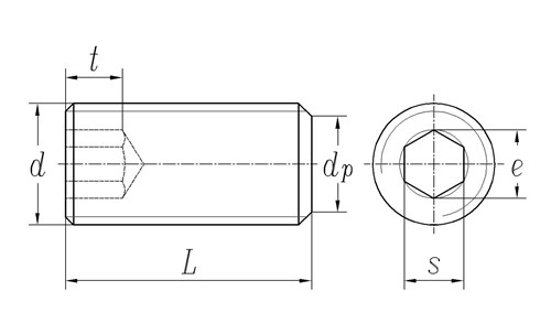
| 公称直径 | M1.4 | M1.6 | (M1.8) | M2 | M2.5 | M3 | M4 | M5 | M6 | M8 | M10 | M12 | (M14) | M16 | (M18) | M20 | (M22) | M24 | ||
| P | 螺距 | 0.3 | 0.35 | 0.35 | 0.4 | 0.45 | 0.5 | 0.7 | 0.8 | 1 | 1.25 | 1.5 | 1.75 | 2 | 2 | 2.5 | 2.5 | 2.5 | 3 | |
| dp | 最大值 | 0.7 | 0.8 | 0.9 | 1 | 1.5 | 2 | 2.5 | 3.5 | 4 | 5.5 | 7 | 8.5 | 10 | 12 | 13 | 15 | 17 | 18 | |
| 最小值 | 0.45 | 0.55 | 0.65 | 0.75 | 1.25 | 1.75 | 2.25 | 3.2 | 3.7 | 5.2 | 6.64 | 8.14 | 9.64 | 11.57 | 12.57 | 14.57 | 16.57 | 17.57 | ||
| s | 公称 | 0.7 | 0.7 | 0.7 | 0.9 | 1.3 | 1.5 | 2 | 2.5 | 3 | 4 | 5 | 6 | 6 | 8 | 10 | 10 | 12 | 12 | |
| 最大值 | 0.724 | 0.724 | 0.724 | 0.902 | 1.295 | 1.545 | 2.045 | 2.56 | 3.08 | 4.095 | 5.095 | 6.095 | 6.095 | 8.115 | 10.115 | 10.115 | 12.142 | 12.142 | ||
| 最小值 | 0.711 | 0.711 | 0.711 | 0.889 | 1.27 | 1.52 | 2.02 | 2.52 | 3.02 | 4.02 | 5.02 | 6.02 | 6.02 | 8.025 | 10.025 | 10.025 | 12.032 | 12.032 | ||
| t | 最小值 | 短螺钉 | 0.6 | 0.7 | 0.8 | 0.8 | 1.2 | 1.2 | 1.5 | 2 | 2 | 3 | 4 | 4.8 | 5.6 | 6.4 | 7.2 | 8 | 9 | 10 |
| 长螺钉 | 1.4 | 1.5 | 1.6 | 1.7 | 2 | 2 | 2.5 | 3 | 3.5 | 5 | 6 | 8 | 9 | 10 | 11 | 12 | 13.5 | 15 | ||