GB/T5785(细牙) 外六角螺栓
标准:GB /T5785-2016 六角头螺栓 细牙 A级和B级
工艺:冷镦
详细信息
GB/T5785(细牙) 外六角全牙螺栓 材质、等级:8.8级、10.9级、12.9级 、A2-70、A4-70 、A4-80等
表面处理:镀普通蓝白锌、普通彩锌、热镀锌、环保彩锌、环保蓝白锌、环保达克罗等
盐雾时间:可做72H、96H、120H、300H、360H、720H等高盐雾处理
电话咨询:400-086-0001 025-86183701-8026
徐小姐
邮件咨询:dm8026@18luosi.com
QQ咨询:2850588428
表面处理:镀普通蓝白锌、普通彩锌、热镀锌、环保彩锌、环保蓝白锌、环保达克罗等
盐雾时间:可做72H、96H、120H、300H、360H、720H等高盐雾处理
电话咨询:400-086-0001 025-86183701-8026
徐小姐
邮件咨询:dm8026@18luosi.com
QQ咨询:2850588428

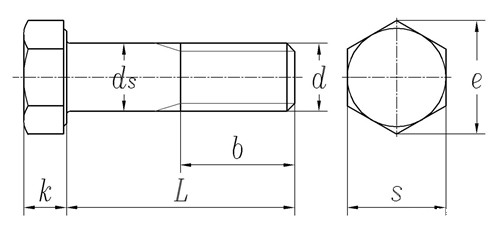
| Nominal Diameter | M5 | M6 | M8 | M10 | M12 | (M14) | M16 | (M18) | M20 | (M22) | M24 | (M27) | M30 | (M33) | M36 | (M39) | M42 | (M45) | M48 | (M52) | M56 | (M60) | M64 | |
| P | Pitch | 0.8 | 1 | 1.25 | 1.5 | 1.75 | 2 | 2 | 2.5 | 2.5 | 2.5 | 3 | 3 | 3.5 | 3.5 | 4 | 4 | 4.5 | 4.5 | 5 | 5 | 5.5 | 5.5 | 6 |
| b | L≤125 | 16 | 18 | 22 | 26 | 30 | 34 | 38 | 42 | 46 | 50 | 54 | 60 | 66 | / | / | / | / | / | / | / | / | / | / |
| 125<L≤200 | 22 | 24 | 28 | 32 | 36 | 40 | 44 | 48 | 52 | 56 | 60 | 66 | 72 | 78 | 84 | 90 | 96 | 102 | 108 | 116 | / | / | / | |
| L>200 | 35 | 37 | 41 | 45 | 49 | 53 | 57 | 61 | 65 | 69 | 73 | 79 | 85 | 91 | 97 | 103 | 109 | 115 | 121 | 129 | 137 | 145 | 153 | |
| ds | max | 5.48 | 6.48 | 8.58 | 10.58 | 12.7 | 14.7 | 16.7 | 18.7 | 20.84 | 22.84 | 24.84 | 27.84 | 30.84 | 34 | 37 | 40 | 43 | 46 | 49 | 53.2 | 57.2 | 61.2 | 65.2 |
| min | 4.52 | 5.52 | 7.42 | 9.42 | 11.3 | 13.3 | 15.3 | 17.3 | 19.16 | 21.16 | 23.16 | 26.16 | 29.16 | 32 | 35 | 38 | 41 | 44 | 47 | 50.8 | 54.8 | 58.8 | 62.8 | |
| k | Nominal Size | 3.5 | 4 | 5.3 | 6.4 | 7.5 | 8.8 | 10 | 11.5 | 12.5 | 14 | 15 | 17 | 18.7 | 21 | 22.5 | 25 | 26 | 28 | 30 | 33 | 35 | 38 | 40 |
| max | 3.875 | 4.375 | 5.675 | 6.85 | 7.95 | 9.25 | 10.75 | 12.4 | 13.4 | 14.9 | 15.9 | 17.9 | 19.75 | 22.05 | 23.55 | 26.05 | 27.05 | 29.05 | 31.05 | 34.25 | 36.25 | 39.25 | 41.25 | |
| min | 3.125 | 3.625 | 4.925 | 5.95 | 7.05 | 8.35 | 9.25 | 10.6 | 11.6 | 13.1 | 14.1 | 16.1 | 17.65 | 19.95 | 21.45 | 23.95 | 24.95 | 26.95 | 28.95 | 31.75 | 33.75 | 36.75 | 38.75 | |
| s | max=nominal size | 8 | 10 | 13 | 16 | 18 | 21 | 24 | 27 | 30 | 34 | 36 | 41 | 46 | 50 | 55 | 60 | 65 | 70 | 75 | 80 | 85 | 90 | 95 |
| min | 7.64 | 9.64 | 12.57 | 15.57 | 17.57 | 20.16 | 23.16 | 26.16 | 29.16 | 33 | 35 | 40 | 45 | 49 | 53.8 | 58.8 | 63.1 | 68.1 | 73.1 | 78.1 | 82.8 | 87.8 | 92.8 | |