GB/T31.2 外六角螺栓
标准:GB 31.2-1988 细杆六角头螺杆带孔螺栓 B级
工艺:冷镦
详细信息
GB/T31.2 外六角全牙螺栓 材质、等级:8.8级、10.9级、12.9级 、A2-70、A4-70 、A4-80等
表面处理:镀普通蓝白锌、普通彩锌、热镀锌、环保彩锌、环保蓝白锌、环保达克罗等
盐雾时间:可做72H、96H、120H、300H、360H、720H等高盐雾处理
电话咨询:400-086-0001 025-86183701-8026
徐小姐
邮件咨询:dm8026@18luosi.com
QQ咨询:2850588428
表面处理:镀普通蓝白锌、普通彩锌、热镀锌、环保彩锌、环保蓝白锌、环保达克罗等
盐雾时间:可做72H、96H、120H、300H、360H、720H等高盐雾处理
电话咨询:400-086-0001 025-86183701-8026
徐小姐
邮件咨询:dm8026@18luosi.com
QQ咨询:2850588428

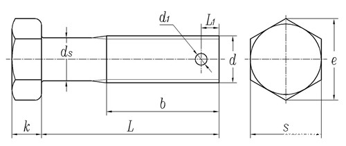
Nominal Diameter | M6 | M8 | M10 | M12 | (M14) | M16 | M20 | |
P | Pitch | 1 | 1.25 | 1.5 | 1.75 | 2 | 2 | 2.5 |
b | L≤125 | 18 | 22 | 26 | 30 | 34 | 38 | 46 |
125<L≤200 | / | 28 | 32 | 36 | 40 | 44 | 52 | |
k | Nominal Size | 4 | 5.3 | 6.4 | 7.5 | 8.8 | 10 | 12.5 |
max | 4.24 | 5.54 | 6.69 | 7.79 | 9.09 | 10.29 | 12.85 | |
min | 3.76 | 5.06 | 6.11 | 7.21 | 8.51 | 9.71 | 12.15 | |
s | max | 10 | 13 | 16 | 18 | 21 | 24 | 30 |
min | 9.64 | 12.57 | 15.57 | 17.57 | 20.16 | 23.16 | 29.16 | |
e | min | 10.89 | 14.2 | 17.59 | 19.85 | 22.78 | 26.17 | 32.95 |
d1 | max | 1.9 | 2.4 | 2.9 | 3.4 | 3.4 | 4.48 | 4.48 |
min | 1.5 | 2 | 2.5 | 3 | 3 | 4 | 4 | |
L1 | Nominal Size | 3 | 4 | 4 | 5 | 5 | 6 | 6 |
①,ds≈Pitch diameter | ||||||||
②,The other types and sizes are specified in GB 5784. |