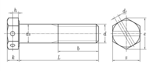
GB/T32.1 外六角螺栓
标准:GB 32.1-1988 六角头头部带孔螺栓 A和B级
工艺:冷镦
详细信息
GB/T32.1 外六角全牙螺栓 材质、等级:8.8级、10.9级、12.9级 、A2-70、A4-70 、A4-80等
表面处理:镀普通蓝白锌、普通彩锌、热镀锌、环保彩锌、环保蓝白锌、环保达克罗等
盐雾时间:可做72H、96H、120H、300H、360H、720H等高盐雾处理
电话咨询:400-086-0001 025-86183701-8026
徐小姐
邮件咨询:dm8026@18luosi.com
QQ咨询:2850588428
表面处理:镀普通蓝白锌、普通彩锌、热镀锌、环保彩锌、环保蓝白锌、环保达克罗等
盐雾时间:可做72H、96H、120H、300H、360H、720H等高盐雾处理
电话咨询:400-086-0001 025-86183701-8026
徐小姐
邮件咨询:dm8026@18luosi.com
QQ咨询:2850588428

| Nominal Diameter | M6 | M8 | M10 | M12 | (M14) | M16 | (M18) | M20 | (M22) | M24 | (M27) | M30 | M36 | M42 | M48 | |
| P | P | 1 | 1.25 | 1.5 | 1.75 | 2 | 2 | 2.5 | 2.5 | 2.5 | 3 | 3 | 3.5 | 4 | 4.5 | 5 |
| d1 | Nominal Size | 1.6 | 2 | 2.5 | 3.2 | 3.2 | 4 | 4 | 4 | 5 | 5 | 5 | 6.3 | 6.3 | 8 | 8 |
| min | 1.6 | 2 | 2.5 | 3.2 | 3.2 | 4 | 4 | 4 | 5 | 5 | 5 | 6.3 | 6.3 | 8 | 8 | |
| max | 1.85 | 2.25 | 2.75 | 3.5 | 3.5 | 4.3 | 4.3 | 4.3 | 5.3 | 5.3 | 5.3 | 6.6 | 6.6 | 8.3 | 8.3 | |
| h | ≈ | 2 | 2.6 | 3.2 | 3.7 | 4.4 | 5 | 5.7 | 6.2 | 7 | 7.5 | 8.5 | 9.3 | 11.2 | 13 | 15 |
| ①,The other types and sizes are specified in GB 5782. | ||||||||||||||||