GB/T27 外六角螺栓
标准:GB /T27-2013 六角头铰制孔用螺栓
工艺:冷镦
详细信息
GB/T27 外六角全牙螺栓 材质、等级:8.8级、10.9级、12.9级 、A2-70、A4-70 、A4-80等
表面处理:镀普通蓝白锌、普通彩锌、热镀锌、环保彩锌、环保蓝白锌、环保达克罗等
盐雾时间:可做72H、96H、120H、300H、360H、720H等高盐雾处理
电话咨询:400-086-0001 025-86183701-8026
徐小姐
邮件咨询:dm8026@18luosi.com
QQ咨询:2850588428
表面处理:镀普通蓝白锌、普通彩锌、热镀锌、环保彩锌、环保蓝白锌、环保达克罗等
盐雾时间:可做72H、96H、120H、300H、360H、720H等高盐雾处理
电话咨询:400-086-0001 025-86183701-8026
徐小姐
邮件咨询:dm8026@18luosi.com
QQ咨询:2850588428

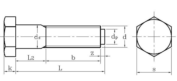
| Nominal Diameter | M6 | M8 | M10 | M12 | (M14) | M16 | (M18) | M20 | (M22) | M24 | (M27) | M30 | M36 | M42 | M48 | ||
| P | Pitch | 1 | 1.25 | 1.5 | 1.75 | 2 | 2 | 2.5 | 2.5 | 2.5 | 3 | 3 | 3.5 | 4 | 4.5 | 5 | |
| ds | max | 7 | 9 | 11 | 13 | 15 | 17 | 19 | 21 | 23 | 25 | 28 | 32 | 38 | 44 | 50 | |
| min | 6.964 | 8.964 | 10.957 | 12.957 | 14.957 | 16.957 | 18.948 | 20.948 | 22.948 | 24.948 | 27.948 | 31.938 | 37.938 | 43.938 | 49.938 | ||
| s | max | 10 | 13 | 16 | 18 | 21 | 24 | 27 | 30 | 34 | 36 | 41 | 46 | 55 | 65 | 75 | |
| min | Grade A | 9.78 | 12.73 | 15.73 | 17.73 | 20.67 | 23.67 | 26.67 | 29.67 | 33.38 | 35.38 | / | / | / | / | / | |
| Grade B | 9.64 | 12.57 | 15.57 | 17.57 | 20.16 | 23.16 | 26.16 | 29.16 | 33 | 35 | 40 | 45 | 53.8 | 63.8 | 73.1 | ||
| k | Nominal Size | 4 | 5 | 6 | 7 | 8 | 9 | 10 | 11 | 12 | 13 | 15 | 17 | 20 | 23 | 26 | |
| Grade A | max | 3.85 | 4.85 | 5.85 | 6.82 | 7.82 | 8.82 | 9.82 | 10.78 | 11.78 | 12.78 | / | / | / | / | / | |
| min | 4.15 | 5.15 | 6.15 | 7.18 | 8.18 | 9.18 | 10.18 | 11.22 | 12.22 | 13.22 | / | / | / | / | / | ||
| Grade B | max | 4.24 | 5.24 | 6.24 | 7.29 | 8.29 | 9.29 | 10.29 | 11.35 | 12.35 | 13.35 | 15.35 | 17.35 | 20.42 | 23.42 | 26.42 | |
| min | 3.76 | 4.76 | 5.76 | 6.71 | 7.71 | 8.71 | 9.71 | 10.65 | 11.65 | 12.65 | 14.65 | 16.65 | 19.58 | 22.58 | 25.58 | ||
| dp | 4 | 5.5 | 7 | 8.5 | 10 | 12 | 13 | 15 | 17 | 18 | 21 | 23 | 28 | 33 | 38 | ||
| z | 1.5 | 1.5 | 2 | 2 | 3 | 3 | 3 | 4 | 4 | 4 | 5 | 5 | 6 | 7 | 8 | ||
| L2 | ±1 | L-12 | L-15 | L-18 | L-20 | L-25 | L-28 | L-30 | L-32 | L-35 | L-38 | L-42 | L-50 | L-55 | L-65 | L-70 | |