Q150B 外六角螺栓
标准:Q 150B 六角头螺栓
工艺:冷镦
详细信息
QC/T150B 外六角全牙螺栓 材质、等级:8.8级、10.9级、12.9级 、A2-70、A4-70 、A4-80等
表面处理:镀普通蓝白锌、普通彩锌、热镀锌、环保彩锌、环保蓝白锌、环保达克罗等
盐雾时间:可做72H、96H、120H、300H、360H、720H等高盐雾处理
电话咨询:400-086-0001 025-86183701-8026
徐小姐
邮件咨询:dm8026@18luosi.com
QQ咨询:2850588428
表面处理:镀普通蓝白锌、普通彩锌、热镀锌、环保彩锌、环保蓝白锌、环保达克罗等
盐雾时间:可做72H、96H、120H、300H、360H、720H等高盐雾处理
电话咨询:400-086-0001 025-86183701-8026
徐小姐
邮件咨询:dm8026@18luosi.com
QQ咨询:2850588428

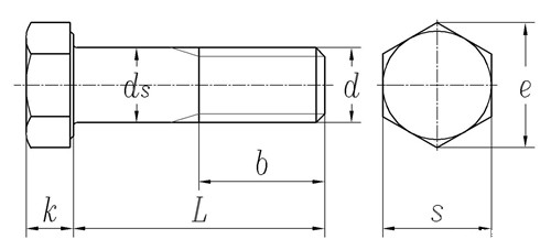
| Nominal Diameter | M3 | M4 | M5 | M6 | M8 | M10 | M12 | (M14) | M16 | (M18) | M20 | (M22) | M24 | ||
| P | Pitch | 0.5 | 0.7 | 0.8 | 1 | 1.25 | 1.5 | 1.75 | 2 | 2 | 2.5 | 2.5 | 2.5 | 3 | |
| b | L≤125 | 12 | 14 | 16 | 18 | 22 | 26 | 30 | 34 | 38 | 42 | 46 | 50 | 54 | |
| 125<L≤200 | - | - | - | - | - | 32 | 36 | 40 | 44 | 48 | 52 | 56 | 60 | ||
| ds | max=nominal size | 3 | 4 | 5 | 6 | 8 | 10 | 12 | 14 | 16 | 18 | 20 | 22 | 24 | |
| min | Grade A | 2.86 | 3.82 | 4.82 | 5.82 | 7.78 | 9.78 | 11.73 | 13.73 | 15.73 | 17.73 | 19.67 | 21.67 | 23.67 | |
| Grade B | - | - | - | - | 7.64 | 9.64 | 11.57 | 13.57 | 15.57 | 17.57 | 19.48 | 21.48 | 23.48 | ||
| k | Nominal Size | 2 | 2.8 | 3.5 | 4 | 5.3 | 6.4 | 7.5 | 8.8 | 10 | 11.5 | 12.5 | 14 | 15 | |
| Grade A | max | 2.125 | 2.925 | 3.65 | 4.15 | 5.45 | 6.58 | 7.68 | 8.98 | 10.18 | 11.175 | 12.715 | 14.215 | 15.215 | |
| min | 1.875 | 2.675 | 3.35 | 3.85 | 5.15 | 6.22 | 7.32 | 8.62 | 9.82 | 11.285 | 12.285 | 13.785 | 14.785 | ||
| Grade B | max | - | - | - | - | 5.54 | 6.69 | 7.79 | 9.09 | 10.29 | 11.85 | 12.85 | 14.35 | 15.35 | |
| min | - | - | - | - | 5.06 | 6.11 | 7.21 | 8.51 | 9.71 | 11.15 | 12.15 | 13.65 | 14.65 | ||
| s | max=nominal size | 5.5 | 7 | 8 | 10 | 13 | 16 | 18 | 21 | 24 | 27 | 30 | 34 | 36 | |
| min | Grade A | 5.32 | 6.78 | 7.78 | 9.78 | 12.73 | 15.73 | 17.73 | 20.67 | 23.67 | 26.67 | 29.67 | 33.38 | 35.38 | |
| Grade B | - | - | - | - | 12.57 | 15.57 | 17.57 | 20.16 | 23.16 | 26.16 | 29.16 | 33 | 35 | ||