Q151B 外六角螺栓
标准:Q 151B 六角头细牙螺栓
工艺:冷镦
详细信息
QC/T151B 外六角螺栓 材质、等级:8.8级、10.9级、12.9级 、A2-70、A4-70 、A4-80等
表面处理:镀普通蓝白锌、普通彩锌、热镀锌、环保彩锌、环保蓝白锌、环保达克罗等
盐雾时间:可做72H、96H、120H、300H、360H、720H等高盐雾处理
电话咨询:400-086-0001 025-86183701-8026
徐小姐
邮件咨询:dm8026@18luosi.com
QQ咨询:2850588428

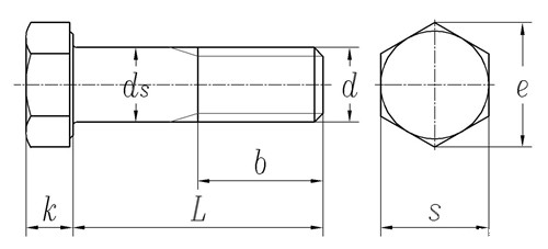
| Nominal Diameter | M8 | (M10) | M12 | (M14) | M16 | (M18) | (M20) | (M22) | M24 | ||
| P | Pitch | 1 | 1 | 1.25 | 1.5 | 1.5 | 1.5 | 1.5 | 1.5 | 2 | |
| b | L≤125 | 22 | 26 | 30 | 34 | 38 | 42 | 46 | 50 | 54 | |
| 125<L≤200 | - | 32 | 36 | 40 | 44 | 48 | 52 | 56 | 60 | ||
| ds | max=nominal size | 8 | 10 | 12 | 14 | 16 | 18 | 20 | 22 | 24 | |
| min | Grade A | 7.78 | 9.78 | 11.73 | 13.73 | 15.73 | 17.73 | 19.67 | 21.67 | 23.67 | |
| Grade B | 7.64 | 9.64 | 11.57 | 13.54 | 15.57 | 17.57 | 19.48 | 21.48 | 23.48 | ||
| e | min | Grade A | 14.38 | 17.77 | 20.03 | 23.36 | 26.75 | 30.14 | 33.53 | 37.72 | 39.98 |
| Grade B | 14.2 | 17.59 | 19.85 | 22.78 | 26.17 | 29.56 | 32.95 | 37.29 | 39.55 | ||
| k | Nominal Size | 5.3 | 6.4 | 7.5 | 8.8 | 10 | 11.5 | 12.5 | 14 | 15 | |
| Grade A | max | 5.45 | 6.58 | 7.68 | 8.98 | 10.18 | 11.715 | 12.715 | 14.215 | 15.215 | |
| min | 5.15 | 6.22 | 7.32 | 8.62 | 9.82 | 11.285 | 12.285 | 13.785 | 14.785 | ||
| Grade B | max | 5.54 | 6.69 | 7.79 | 9.09 | 10.29 | 11.85 | 12.85 | 14.35 | 15.35 | |
| min | 5.06 | 6.11 | 7.21 | 8.51 | 9.71 | 11.15 | 12.15 | 13.65 | 14.65 | ||
| s | max=nominal size | 13 | 16 | 18 | 21 | 24 | 27 | 30 | 34 | 36 | |
| min | Grade A | 12.73 | 15.73 | 17.73 | 20.67 | 23.67 | 26.67 | 29.67 | 33.38 | 35.38 | |
| Grade B | 12.57 | 15.57 | 17.57 | 20.16 | 23.16 | 26.16 | 29.16 | 33 | 35 | ||