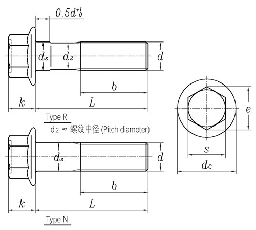
ISO15071 六角头法兰面螺栓
标准:ISO 15071-2011 A级六角法兰面螺栓 小系列
工艺:冷镦
详细信息
ISO15071六角头法兰面螺栓 材质、等级:8.8级、10.9级、12.9级 、A2-70、A4-70 、A4-80等
表面处理:镀普通蓝白锌、普通彩锌、热镀锌、环保彩锌、环保蓝白锌、环保达克罗等
盐雾时间:可做72H、96H、120H、300H、360H、720H等高盐雾处理
电话咨询:400-086-0001 025-86183701-8026
徐小姐
邮件咨询:dm8026@18luosi.com
QQ咨询:2850588428
表面处理:镀普通蓝白锌、普通彩锌、热镀锌、环保彩锌、环保蓝白锌、环保达克罗等
盐雾时间:可做72H、96H、120H、300H、360H、720H等高盐雾处理
电话咨询:400-086-0001 025-86183701-8026
徐小姐
邮件咨询:dm8026@18luosi.com
QQ咨询:2850588428

| Nominal Diameter | M5 | M6 | M8 | M10 | M12 | (M14) | M16 | |
| P | Pitch | 0.8 | 1 | 1.25 | 1.5 | 1.75 | 2 | 2 |
| b | L≤125 | 16 | 18 | 22 | 26 | 30 | 34 | 38 |
| 125<L≤200 | - | - | 28 | 32 | 36 | 40 | 44 | |
| L>200 | - | - | - | - | - | - | 57 | |
| dc | max | 11.4 | 13.6 | 17 | 20.8 | 24.7 | 28.6 | 32.8 |
| ds | max | 5 | 6 | 8 | 10 | 12 | 14 | 16 |
| min | 4.82 | 5.82 | 7.78 | 9.78 | 11.73 | 13.73 | 15.73 | |
| e | min | 7.59 | 8.71 | 10.95 | 14.26 | 16.5 | 19.86 | 23.15 |
| k | max | 5.6 | 6.9 | 8.5 | 9.7 | 12.1 | 12.9 | 15.2 |
| s | max | 7 | 8 | 10 | 13 | 15 | 18 | 21 |
| min | 6.78 | 7.78 | 9.78 | 12.73 | 14.73 | 17.73 | 20.67 | |