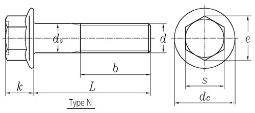
GB/T16674 六角头法兰面螺栓
标准:GB /T(S)16674.1-2016 六角法兰面螺栓 小系列 标准型(粗杆) A级
工艺:冷镦
详细信息
GB/T16674 六角头法兰面螺栓 材质、等级:8.8级、10.9级、12.9级 、A2-70、A4-70 、A4-80等
表面处理:镀普通蓝白锌、普通彩锌、热镀锌、环保彩锌、环保蓝白锌、环保达克罗等
盐雾时间:可做72H、96H、120H、300H、360H、720H等高盐雾处理
电话咨询:400-086-0001 025-86183701-8026
徐小姐
邮件咨询:dm8026@18luosi.com
QQ咨询:2850588428

| Nominal Diameter | M8 | M10 | M12 | (M14) | M16 | ||
| P | Pitch | Fine thread | 1 | 1.25 | 1.5 | 1.5 | 1.5 |
| very fine thread | - | 1 | 1.25 | - | - | ||
| b | L≤125 | 22 | 26 | 30 | 34 | 38 | |
| 125<L≤200 | 28 | 32 | 36 | 40 | 44 | ||
| 200<L | / | / | / | / | 57 | ||
| ds | max | 8 | 10 | 12 | 14 | 16 | |
| min | 7.78 | 9.78 | 11.73 | 13.73 | 15.73 | ||
| dc | max | 17 | 20.8 | 24.7 | 28.6 | 32.8 | |
| k | max | 8.5 | 9.7 | 12.1 | 12.9 | 15.2 | |
| s | max | 10 | 13 | 15 | 18 | 21 | |
| min | 9.78 | 12.73 | 14.73 | 17.73 | 20.67 | ||