GB/T5787 六角头法兰面螺栓
标准:GB 5787-1986 六角法兰面螺栓 B级
工艺:冷镦
详细信息
GB/T5787 六角头法兰面螺栓 材质、等级:8.8级、10.9级、12.9级 、A2-70、A4-70 、A4-80等
表面处理:镀普通蓝白锌、普通彩锌、热镀锌、环保彩锌、环保蓝白锌、环保达克罗等
盐雾时间:可做72H、96H、120H、300H、360H、720H等高盐雾处理
电话咨询:400-086-0001 025-86183701-8026
徐小姐
邮件咨询:dm8026@18luosi.com
QQ咨询:2850588428

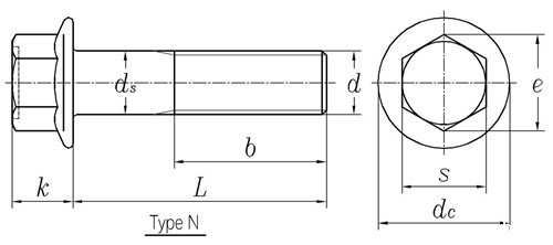
| Nominal Diameter | M5 | M6 | M8 | M10 | M12 | (M14) | M16 | |
| P ① | Pitch | 0.8 | 1 | 1.25 | 1.5 | 1.75 | 2 | 2 |
| b | L≤125 | 16 | 18 | 22 | 26 | 30 | 34 | 38 |
| 125<L≤200 | / | / | 28 | 32 | 36 | 40 | 44 | |
| L>200 | / | / | / | / | / | 53 | 57 | |
| dc | max | 11.4 | 13.6 | 17 | 20.8 | 24.7 | 28.6 | 32.8 |
| e | min | 7.44 | 8.56 | 10.8 | 14.08 | 16.32 | 19.68 | 22.94 |
| k | max | 5.6 | 6.8 | 8.5 | 9.7 | 11.9 | 12.9 | 15.1 |
| s | max | 7 | 8 | 10 | 13 | 15 | 18 | 21 |
| min | 6.64 | 7.64 | 9.64 | 12.57 | 14.57 | 17.57 | 20.48 | |
| ds | max | 5 | 6 | 8 | 10 | 12 | 14 | 16 |
| min | 4.82 | 5.82 | 7.78 | 9.78 | 11.73 | 13.73 | 15.73 | |
| ①,P = pitch of coarse thread. | ||||||||