GB/T5789(加大)六角头法兰面螺栓
工艺:
详细信息
GB/T5789(加大)六角头法兰面螺栓 材质、等级:8.8级、10.9级、12.9级 、A2-70、A4-70 、A4-80等
表面处理:镀普通蓝白锌、普通彩锌、热镀锌、环保彩锌、环保蓝白锌、环保达克罗等
盐雾时间:可做72H、96H、120H、300H、360H、720H等高盐雾处理
电话咨询:400-086-0001 025-86183701-8026
徐小姐
邮件咨询:dm8026@18luosi.com
QQ咨询:2850588428

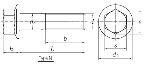
| Nominal Diameter | M5 | M6 | M8 | M10 | M12 | (M14) | M16 | M20 | |
| P | Pitch | 0.8 | 1 | 1.25 | 1.5 | 1.75 | 2 | 2 | 2.5 |
| b | L≤125 | 16 | 18 | 22 | 26 | 30 | 34 | 38 | 46 |
| 125<L≤200 | / | / | 28 | 32 | 36 | 40 | 44 | 52 | |
| L>200 | / | / | / | / | / | / | 57 | 65 | |
| dc | max | 11.8 | 14.2 | 18 | 22.3 | 26.6 | 30.5 | 35 | 43 |
| ds | max | 5 | 6 | 8 | 10 | 12 | 14 | 16 | 20 |
| min | 4.82 | 5.82 | 7.78 | 9.78 | 11.73 | 13.73 | 15.73 | 19.67 | |
| e | min | 8.56 | 10.8 | 14.08 | 16.32 | 19.68 | 22.58 | 25.94 | 32.66 |
| k | max | 5.4 | 6.6 | 8.1 | 9.2 | 10.4 | 12.4 | 14.1 | 17.7 |
| s | max | 8 | 10 | 13 | 15 | 18 | 21 | 24 | 30 |
| min | 7.64 | 9.64 | 12.57 | 14.57 | 17.57 | 20.16 | 23.16 | 29.16 | |