ANSI B18.2.5M-2009 六角头法兰面螺栓
标准:ASME B18.2.5M-2009 十二角法兰螺栓 (12.9 / ASTM F468M)
详细信息
ANSI B18.2.5M-2009 六角头法兰面螺栓 材质、等级:8.8级、10.9级、12.9级 、A2-70、A4-70 、A4-80等
表面处理:镀普通蓝白锌、普通彩锌、热镀锌、环保彩锌、环保蓝白锌、环保达克罗等
盐雾时间:可做72H、96H、120H、300H、360H、720H等高盐雾处理
电话咨询:400-086-0001 025-86183701-8026
徐小姐
邮件咨询:dm8026@18luosi.com
QQ咨询:2850588428

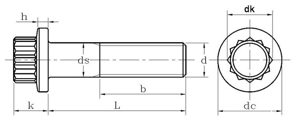
| Nominal Diameter | M5 | M6 | M8 | M10 | M12 | M14 | M16 | M20 | M24 | M30 | M36 | |
| P | Pitch | 0.8 | 1 | 1.25 | 1.5 | 1.75 | 2 | 2 | 2.5 | 3 | 3.5 | 4 |
| ds | max | 5 | 6 | 8 | 10 | 12 | 14 | 16 | 20 | 24 | 30 | 36 |
| min | 4.82 | 5.82 | 7.78 | 9.78 | 11.73 | 13.73 | 15.73 | 19.67 | 23.67 | 29.67 | 35.61 | |
| dc | max | 8.72 | 10.22 | 13.27 | 16.27 | 18.27 | 21.33 | 24.33 | 30.33 | 36.39 | 45.39 | 54.46 |
| min | 8.27 | 9.77 | 12.72 | 15.69 | 17.67 | 20.67 | 23.62 | 29.55 | 35.52 | 44.52 | 52.75 | |
| dk | min | 5.6 | 6.7 | 9 | 11.2 | 13.5 | 15.8 | 18 | 22.5 | 27 | 33.8 | 40.5 |
| h | max | 2.25 | 2.7 | 3.6 | 4.5 | 5.4 | 6.3 | 7.2 | 9 | 10.8 | 13.5 | 16.2 |
| min | 2 | 2.45 | 3.35 | 4.13 | 5.03 | 5.93 | 6.83 | 8.5 | 10.3 | 13 | 15.6 | |
| k | max | 5 | 6 | 8 | 10 | 12 | 14 | 16 | 20 | 24 | 30 | 36 |
| min | 4.88 | 5.82 | 7.78 | 9.78 | 11.73 | 13.73 | 15.73 | 19.67 | 23.67 | 29.67 | 35.57 | |