GB/T32.2-1988 头部带孔螺栓 细杆级
工艺:
详细信息
GB/T32.2-1988 头部带孔螺栓 细杆级 材质、等级:8.8级、10.9级、12.9级 、A2-70、A4-70 、A4-80等
表面处理:镀普通蓝白锌、普通彩锌、热镀锌、环保彩锌、环保蓝白锌、环保达克罗等
盐雾时间:可做72H、96H、120H、300H、360H、720H等高盐雾处理
电话咨询:400-086-0001 025-86183701-8026
徐小姐
邮件咨询:dm8026@18luosi.com
QQ咨询:2850588428

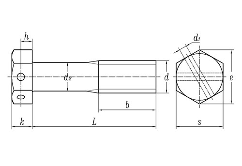
| Nominal Diameter | M6 | M8 | M10 | M12 | (M14) | M16 | M20 | |
| P | Pitch | 1 | 1.25 | 1.5 | 1.75 | 2 | 2 | 2.5 |
| b | L≤125 | 18 | 22 | 26 | 30 | 34 | 38 | 46 |
| 125<L≤200 | / | 28 | 32 | 36 | 40 | 44 | 52 | |
| k | Nominal Size | 4 | 5.3 | 6.4 | 7.5 | 8.8 | 10 | 12.5 |
| min | 3.76 | 5.06 | 6.11 | 7.21 | 8.51 | 9.71 | 12.15 | |
| max | 4.24 | 5.54 | 6.69 | 7.79 | 9.09 | 10.29 | 12.85 | |
| s | max | 10 | 13 | 16 | 18 | 21 | 24 | 30 |
| min | 9.64 | 12.57 | 15.57 | 17.57 | 20.16 | 23.16 | 29.16 | |
| d1 | Nominal Size | 1.6 | 2 | 2.5 | 3.2 | 3.2 | 3.2 | 4 |
| min | 1.6 | 2 | 2.5 | 3.2 | 3.2 | 3.2 | 4.3 | |
| max | 1.85 | 2.25 | 2.75 | 3.5 | 3.5 | 3.5 | 3.25 | |
| h | ≈ | 2 | 2.6 | 3.2 | 3.7 | 4.4 | 5 | 6.2 |