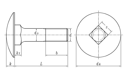
ASME B18.5 半圆头方颈螺栓
工艺:
详细信息
ASME B18.5 半圆头方颈螺栓 材质、等级:8.8级、10.9级、12.9级 、A2-70、A4-70 、A4-80等
表面处理:镀普通蓝白锌、普通彩锌、热镀锌、环保彩锌、环保蓝白锌、环保达克罗等
盐雾时间:可做72H、96H、120H、300H、360H、720H等高盐雾处理
电话咨询:400-086-0001 025-86183701-8026
徐小姐
邮件咨询:dm8026@18luosi.com
QQ咨询:2850588428

| Nominal Diameter | 10# | 1/4 | 5/16 | 3/8 | 7/16 | 1/2 | ||
| d | 0.19 | 0.25 | 0.3125 | 0.375 | 0.4375 | 0.5 | ||
| PP | UNC | 24 | 20 | 18 | 16 | 14 | 13 | |
| ds | max | 0.199 | 0.26 | 0.324 | 0.388 | 0.452 | 0.515 | |
| min | 0.182 | 0.237 | 0.298 | 0.36 | 0.421 | 0.483 | ||
| dk | max | 0.656 | 0.844 | 1.031 | 1.219 | 1.406 | 1.594 | |
| min | 0.625 | 0.813 | 1 | 1.188 | 1.375 | 1.563 | ||
| k | max | 0.114 | 0.145 | 0.176 | 0.208 | 0.239 | 0.27 | |
| min | 0.094 | 0.125 | 0.156 | 0.188 | 0.219 | 0.25 | ||
| s | max | 0.199 | 0.26 | 0.324 | 0.388 | 0.452 | 0.515 | |
| min | 0.185 | 0.245 | 0.307 | 0.368 | 0.431 | 0.492 | ||
| k1 | max | 0.125 | 0.156 | 0.187 | 0.219 | 0.25 | 0.281 | |
| min | 0.094 | 0.125 | 0.156 | 0.188 | 0.219 | 0.25 | ||