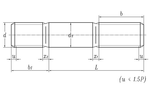
DIN 939 粗杆双头栓 b1=1.25d
工艺:
详细信息
DIN 939 粗杆双头栓 b1=1.25d 材质、等级:8.8级、10.9级、12.9级 、A2-70、A4-70 、A4-80等
表面处理:镀普通蓝白锌、普通彩锌、热镀锌、环保彩锌、环保蓝白锌、环保达克罗等
盐雾时间:可做72H、96H、120H、300H、360H、720H等高盐雾处理
电话咨询:400-086-0001 025-86183701-8026
徐小姐
邮件咨询:dm8026@18luosi.com
QQ咨询:2850588428

| Nominal Diameter | M4 | M5 | M6 | (M7) | M8 | M10 | M12 | (M14) | M16 | (M18) | M20 | (M22) | M24 | (M27) | M30 | (M33) | M36 | (M39) | M42 | (M45) | M48 | (M52) | |
| P | Pitch | 0.7 | 0.8 | 1 | 1 | 1.25 | 1.5 | 1.75 | 2 | 2 | 2.5 | 2.5 | 2.5 | 3 | 3 | 3.5 | 3.5 | 4 | 4 | 4.5 | 4.5 | 5 | 5 |
| Fine thread | / | / | / | / | 1 | 1.25 | 1.5 | 1.5 | 1.5 | 1.5 | 1.5 | 1.5 | 2 | 2 | 2 | 2 | 3 | 3 | 3 | 3 | 3 | 3 | |
| Very fine thread | / | / | / | / | / | / | 1.25 | / | / | / | / | / | / | / | / | / | / | / | / | / | / | / | |
| b1 | 5 | 6.5 | 7.5 | 9 | 10 | 12 | 15 | 18 | 20 | 22 | 25 | 28 | 30 | 35 | 38 | 42 | 45 | 50 | 52 | 58 | 60 | 65 | |
| b | L≤125 | 14 | 16 | 18 | 20 | 22 | 26 | 30 | 34 | 38 | 42 | 46 | 50 | 54 | 60 | 66 | 72 | 78 | 84 | 90 | 96 | 102 | 110 |
| 125<L≤200 | 20 | 22 | 24 | 26 | 28 | 32 | 36 | 40 | 44 | 48 | 52 | 56 | 60 | 66 | 72 | 78 | 84 | 90 | 96 | 102 | 108 | 116 | |
| L>200 | / | / | / | / | / | 45 | 49 | 53 | 57 | 61 | 65 | 69 | 73 | 79 | 85 | 91 | 97 | 103 | 109 | 115 | 121 | 129 | |