DIN 7 - 1981 圆柱销
工艺:
详细信息
DIN 7 - 1981 圆柱销
材质:45#、轴承钢、合金钢、不锈钢、特殊材料等
等级:450-500HV;550-650HV;可根据客户要求进行定制生产
表面处理:本色
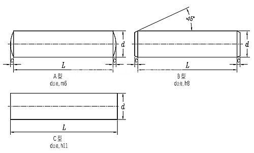
直径公差带:m6;可根据客户要求进行定制生产
电话咨询:400-086-0001 025-86183701-8026
徐小姐
邮件咨询:dm8026@18luosi.com
QQ咨询:2850588428
公称直径 d | 0.8 | 1 | 1.2 | 1.5 | 2 | 2.5 | 3 | 4 | 5 | 6 | 8 | 10 | 12 | 14 | 16 | 20 | 25 | 30 | 40 | 50 | ||
d | A型(m6) | 最大值 | - | 1.008 | 1.208 | 1.508 | 2.008 | 2.508 | 3.008 | 4.012 | 5.012 | 6.012 | 8.015 | 10.015 | 12.018 | 14.018 | 16.018 | 20.021 | 25.021 | 30.021 | 40.025 | 50.025 |
最小值 | - | 1.002 | 1.202 | 1.502 | 2.002 | 2.502 | 3.002 | 4.004 | 5.004 | 6.004 | 8.006 | 10.006 | 12.007 | 14.007 | 16.007 | 20.008 | 25.008 | 30.008 | 40.009 | 50.009 | ||
B型(h8) | 最大值 | 0.8 | 1 | 1.2 | 1.5 | 2 | 2.5 | 3 | 4 | 5 | 6 | 8 | 10 | 12 | 14 | 16 | 20 | 25 | 30 | 40 | 50 | |
最小值 | 0.786 | 0.986 | 1.186 | 1.486 | 1.986 | 2.486 | 2.986 | 3.982 | 4.982 | 5.982 | 7.978 | 9.978 | 11.973 | 13.973 | 15.973 | 19.967 | 24.967 | 29.967 | 39.961 | 49.961 | ||
C型(h11) | 最大值 | 0.8 | 1 | 1.2 | 1.5 | 2 | 2.5 | 3 | 4 | 5 | 6 | 8 | 10 | 12 | 14 | 16 | 20 | 25 | 30 | 40 | 50 | |
最小值 | 0.74 | 0.94 | 1.14 | 1.44 | 1.94 | 2.44 | 2.94 | 3.925 | 4.925 | 5.925 | 7.91 | 9.91 | 11.89 | 13.89 | 15.89 | 19.87 | 24.87 | 29.87 | 39.84 | 49.84 | ||
c | 最大值 | 0.12 | 0.15 | 0.18 | 0.23 | 0.3 | 0.4 | 0.45 | 0.6 | 0.75 | 0.9 | 1.2 | 1.5 | 1.8 | 2 | 2.5 | 3 | 4 | 4.5 | 6 | 7 |