DIN 70952 圆螺母用止退垫圈
工艺:
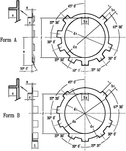
详细信息
DIN 70952 圆螺母用止退垫圈
材质、等级:100HV、140HV、200HV、300HV等
表面处理:镀普通蓝白锌、普通彩锌、热镀锌、环保彩锌、环保蓝白锌、环保达克罗等
盐雾时间:可做72H、96H、120H、300H、360H、720H等高盐雾处理
电话咨询:400-086-0001 025-86183701-8026
徐小姐
邮件咨询:dm8026@18luosi.com
QQ咨询:2850588428

| 螺纹规格 | 10 | 12 | 14 | 16 | 18 | 20 | 22 | 24 | 26 | 28 | 30 | 32 | 35 | 38 | 40 | 42 | 45 | 48 | 50 | 52 | 55 | 60 | 65 | 70 | 75 | 80 | 85 | 90 | 95 | 100 | 105 | 110 | 115 | 120 | 125 | 130 | 135 | 140 | 145 | 150 | 155 | 160 | 165 | 170 | 175 | 180 | 185 | 190 | 195 | 200 | |
| d | |||||||||||||||||||||||||||||||||||||||||||||||||||
| d1 | 最大值 | 10.5 | 12.5 | 14.5 | 16.5 | 18.5 | 20.5 | 22.5 | 24.5 | 26.5 | 28.5 | 30.5 | 32.5 | 35.5 | 38.5 | 40.5 | 42.5 | 45.5 | 48.5 | 50.5 | 53 | 56 | 61 | 66 | 71 | 76 | 81 | 86 | 91 | 96 | 101 | 106 | 111 | 116 | 121 | 126 | 131 | 136 | 141 | 146 | 151 | 156 | 161 | 166 | 171 | 176 | 181 | 186 | 191 | 196 | 201 |
| 最小值 | 10.4 | 12.4 | 14.4 | 16.4 | 18.4 | 20.35 | 22.35 | 24.35 | 26.35 | 28.35 | 30.35 | 32.35 | 35.35 | 38.35 | 40.35 | 42.35 | 45.35 | 48.35 | 50.35 | 52.8 | 55.8 | 60.8 | 65.8 | 70.8 | 75.8 | 80.8 | 85.75 | 90.75 | 95.75 | 100.75 | 105.75 | 110.75 | 115.75 | 120.75 | 125.75 | 130.75 | 135.75 | 140.75 | 145.75 | 150.75 | 155.75 | 160.75 | 165.75 | 170.75 | 175.75 | 180.75 | 185.7 | 190.7 | 195.7 | 200.7 | |
| α | 0.75 | 0.75 | 0.75 | 1 | 1 | 1 | 1 | 1 | 1 | 1 | 1.2 | 1.2 | 1.2 | 1.2 | 1.2 | 1.2 | 1.2 | 1.2 | 1.2 | 1.2 | 1.2 | 1.5 | 1.5 | 1.5 | 1.5 | 1.5 | 1.5 | 1.5 | 1.5 | 1.5 | 1.5 | 1.5 | 1.5 | 1.5 | 1.5 | 1.5 | 1.5 | 1.5 | 1.5 | 1.5 | 1.5 | 1.5 | 1.5 | 1.5 | 1.5 | 1.5 | 1.5 | 1.5 | 1.5 | 1.5 | |
| b1 | 最大值 | 4 | 4 | 4 | 5 | 5 | 5 | 6 | 6 | 6 | 6 | 6 | 6 | 6 | 6 | 6 | 7 | 7 | 7 | 7 | 7 | 7 | 10 | 10 | 10 | 10 | 10 | 10 | 10 | 10 | 10 | 10 | 11 | 11 | 11 | 11 | 11 | 11 | 11 | 11 | 11 | 11 | 11 | 11 | 11 | 11 | 11 | 12 | 12 | 12 | 12 |
| 最小值 | 3.925 | 3.925 | 3.925 | 4.925 | 4.925 | 4.925 | 5.925 | 5.925 | 5.925 | 5.925 | 5.925 | 5.925 | 5.925 | 5.925 | 5.925 | 6.91 | 6.91 | 6.91 | 6.91 | 6.91 | 6.91 | 9.91 | 9.91 | 9.91 | 9.91 | 9.91 | 9.91 | 9.91 | 9.91 | 9.91 | 9.91 | 10.89 | 10.89 | 10.89 | 10.89 | 10.89 | 10.89 | 10.89 | 10.89 | 10.89 | 10.89 | 10.89 | 10.89 | 10.89 | 10.89 | 10.89 | 11.89 | 11.89 | 11.89 | 11.89 | |
| b2 | 最大值 | 4 | 4 | 5 | 5 | 5 | 5 | 6 | 6 | 6 | 7 | 7 | 7 | 7 | 8 | 8 | 8 | 8 | 8 | 8 | 8 | 10 | 10 | 10 | 10 | 10 | 10 | 10 | 10 | 12 | 12 | 12 | 12 | 12 | 12 | 12 | 12 | 12 | 12 | 12 | 12 | 12 | 12 | 12 | 12 | 12 | 12 | 12 | 12 | 12 | 12 |
| 最小值 | 3.925 | 3.925 | 4.925 | 4.925 | 4.925 | 4.925 | 5.925 | 5.925 | 5.925 | 6.91 | 6.91 | 6.91 | 6.91 | 7.91 | 7.91 | 7.91 | 7.91 | 7.91 | 7.91 | 7.91 | 9.91 | 9.91 | 9.91 | 9.91 | 9.91 | 9.91 | 9.91 | 9.91 | 11.89 | 11.89 | 11.89 | 11.89 | 11.89 | 11.89 | 11.89 | 11.89 | 11.89 | 11.89 | 11.89 | 11.89 | 11.89 | 11.89 | 11.89 | 11.89 | 11.89 | 11.89 | 11.89 | 11.89 | 11.89 | 11.89 | |
| c | 3 | 3 | 3 | 3 | 4 | 4 | 4 | 4 | 5 | 5 | 5 | 5 | 5 | 5 | 5 | 5 | 5 | 5 | 5 | 6 | 6 | 6 | 6 | 6 | 7 | 7 | 7 | 7 | 8 | 8 | 8 | 8 | 8 | 8 | 8 | 10 | 10 | 10 | 10 | 10 | 10 | 10 | 10 | 10 | 10 | 10 | 12 | 12 | 12 | 12 | |
| d2 | A | 16 | 18 | 20 | 23 | 25 | 27 | 30 | 32 | 34 | 36 | 38 | 41 | 43 | 47 | 49 | 52 | 54 | 57 | 60 | 62 | 67 | 71 | 76 | 81 | 86 | 91 | 99 | 103 | 109 | 116 | 121 | 126 | 133 | 138 | 143 | 148 | 153 | 158 | 163 | 168 | 173 | 178 | 186 | 190 | 196 | 203 | 206 | 214 | 219 | 224 |
| e | A | 11 | 12 | 13 | 14.5 | 16.5 | 17.5 | 19 | 20 | 22 | 23 | 24 | 25.5 | 26.5 | 28.5 | 29.5 | 31 | 32 | 33.5 | 35 | 37 | 39.5 | 41.5 | 44 | 46.5 | 50 | 52.5 | 56.5 | 58.5 | 62.5 | 66 | 68.5 | 71 | 74.5 | 77 | 79.5 | 84 | 86.5 | 89 | 91.5 | 94 | 96.5 | 99 | 103 | 105 | 108 | 111.5 | 115 | 119 | 121.5 | 124 |
| d3 | B | 19 | 21 | 23 | 26 | 28 | 30 | 34 | 36 | 38 | 40 | 42 | 45 | 47 | 51 | 53 | 57 | 59 | 62 | 65 | 67 | 72 | 76 | 81 | 86 | 91 | 96 | 104 | 108 | 114 | 121 | 126 | 133 | 140 | 145 | 150 | 155 | 160 | 165 | 170 | 175 | 180 | 185 | 193 | 197 | 203 | 210 | 215 | 223 | 228 | 233 |
| d4 | B | 21 | 23 | 25 | 29 | 31 | 33 | 37 | 39 | 41 | 43 | 45 | 49 | 51 | 55 | 57 | 61 | 63 | 66 | 69 | 71 | 76 | 81 | 86 | 91 | 96 | 101 | 109 | 113 | 119 | 126 | 131 | 139 | 146 | 151 | 156 | 161 | 166 | 171 | 176 | 181 | 186 | 191 | 199 | 203 | 209 | 216 | 223 | 231 | 236 | 241 |
| f | 8.9 | 10.9 | 12.9 | 14.9 | 16.9 | 18.9 | 20.9 | 22.9 | 24.9 | 26.9 | 28.9 | 30.9 | 33.9 | 36.6 | 38.6 | 40.6 | 43.6 | 46.7 | 48.7 | 50.7 | 53.7 | 58.7 | 63.7 | 68.7 | 73.2 | 78.2 | 83.2 | 88.2 | 93.2 | 98.2 | 103.2 | 108.2 | 113.3 | 118.3 | 123.3 | 128.3 | 133.3 | 138.3 | 143.3 | 148.3 | 153.3 | 158.3 | 163.3 | 168.3 | 173.3 | 178.3 | 183.3 | 188.3 | 193.3 | 198.3 | |
| r | 0.3 | 0.3 | 0.3 | 0.3 | 0.3 | 0.3 | 0.3 | 0.3 | 0.3 | 0.3 | 0.3 | 0.3 | 0.3 | 0.3 | 0.3 | 0.3 | 0.3 | 0.3 | 0.3 | 0.5 | 0.5 | 0.5 | 0.5 | 0.5 | 0.5 | 0.5 | 0.5 | 0.5 | 0.5 | 0.5 | 0.5 | 0.5 | 0.5 | 0.5 | 0.5 | 0.5 | 0.5 | 0.5 | 0.5 | 0.5 | 0.5 | 0.5 | 0.5 | 0.5 | 0.5 | 0.5 | 0.8 | 0.8 | 0.8 | 0.8 | |
| t | B | 5 | 6 | 6 | 6 | 6 | 6 | 7 | 7 | 7 | 7 | 7 | 8 | 8 | 8 | 8 | 8 | 8 | 8 | 8 | 8 | 8 | 9 | 9 | 9 | 10 | 10 | 10 | 10 | 10 | 10 | 10 | 12 | 12 | 12 | 12 | 12 | 12 | 12 | 12 | 12 | 12 | 12 | 12 | 12 | 14 | 14 | 14 | 14 | 14 | 14 |
| 千件重(钢制)≈kg | A | 1.35 | 1.47 | 1.6 | 2.06 | 2.44 | 2.6 | 3.21 | 3.35 | 3.82 | 5.32 | 5.55 | 6.25 | 6.05 | 6.9 | 7.15 | 8.33 | 8 | 10 | 10.56 | 12.18 | 14.6 | 15.55 | 16.6 | 17.5 | 23.8 | 24.8 | 31.3 | 30.6 | 35.1 | 40.5 | 41.3 | 43.7 | 50.7 | 51.8 | 54.8 | 58.3 | 59.5 | 50.2 | 62.5 | 66 | 66 | 68.5 | 79 | 77.8 | 83.75 | 94.3 | 91.25 | 103.8 | 107.2 | 108.5 |
| B | 2.41 | 2.76 | 3.05 | 3.8 | 4.03 | 4.22 | 5.67 | 5.88 | 6.15 | 8.35 | 8.32 | 10.2 | 10.15 | 11.15 | 11.45 | 13.8 | 13.7 | 17.2 | 18.6 | 18.8 | 21.7 | 25.3 | 26.5 | 27.8 | 35.4 | 38.6 | 45.7 | 45.7 | 50.2 | 56 | 57.8 | 68.7 | 76.25 | 77 | 80.3 | 83.2 | 84.25 | 86.7 | 90 | 92.5 | 94.8 | 97.3 | 111 | 108 | 117 | 119.2 | 133.8 | 149 | 152 | 153 | |