DIN 6796 - 2009 螺栓连接件用蝶形弹簧垫圈
工艺:
详细信息
DIN 6796 - 2009 螺栓连接件用蝶形弹簧垫圈
材质、等级:100HV、140HV、200HV、300HV等
表面处理:镀普通蓝白锌、普通彩锌、热镀锌、环保彩锌、环保蓝白锌、环保达克罗等
盐雾时间:可做72H、96H、120H、300H、360H、720H等高盐雾处理
电话咨询:400-086-0001 025-86183701-8026
徐小姐
邮件咨询:dm8026@18luosi.com
QQ咨询:2850588428

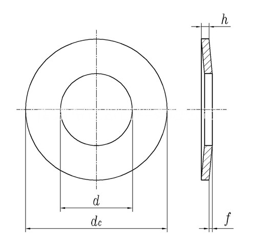
| 使用在 | M2 | M2.5 | M3 | M3.5 | M4 | M5 | M6 | M7 | M8 | M10 | M12 | M14 | M16 | M18 | M20 | M22 | M24 | M27 | M30 | |
| d | 最小值=公称 | 2.2 | 2.7 | 3.2 | 3.7 | 4.3 | 5.3 | 6.4 | 7.4 | 8.4 | 10.5 | 13 | 15 | 17 | 19 | 21 | 23 | 25 | 28 | 31 |
| 最大值 | 2.45 | 2.95 | 3.5 | 4 | 4.6 | 5.6 | 6.76 | 7.76 | 8.76 | 10.93 | 13.43 | 15.43 | 17.43 | 19.52 | 21.52 | 23.52 | 25.52 | 28.52 | 31.62 | |
| dc | 最小值 | 4.7 | 5.7 | 6.64 | 7.64 | 8.64 | 10.57 | 13.57 | 16.57 | 17.57 | 22.48 | 28.48 | 34.38 | 38.38 | 41.38 | 44.38 | 48.38 | 55.26 | 59.26 | 69.26 |
| 最大值=公称 | 5 | 6 | 7 | 8 | 9 | 11 | 14 | 17 | 18 | 23 | 29 | 35 | 39 | 42 | 45 | 49 | 56 | 60 | 70 | |
| h | 0.4 | 0.5 | 0.6 | 0.8 | 1 | 1.2 | 1.5 | 1.75 | 2 | 2.5 | 3 | 3.5 | 4 | 4.5 | 5 | 5.5 | 6 | 6.5 | 7 | |
| H | 最大值 | 0.6 | 0.72 | 0.85 | 1.06 | 1.3 | 1.55 | 2 | 2.3 | 2.6 | 3.2 | 3.95 | 4.65 | 5.25 | 5.8 | 6.4 | 7.05 | 7.75 | 8.35 | 9.2 |
| 最小值 | 0.5 | 0.61 | 0.72 | 0.92 | 1.12 | 1.35 | 1.7 | 2 | 2.24 | 2.8 | 3.43 | 4.04 | 4.58 | 5.08 | 5.6 | 6.15 | 6.77 | 7.3 | 8 | |
| 千件重(钢制)≈kg | 0.05 | 0.09 | 0.14 | 0.25 | 0.38 | 0.69 | 1.43 | 2.53 | 3.13 | 6.45 | 12.4 | 21.6 | 30.4 | 38.9 | 48.8 | 63.5 | 92.9 | 113 | 170 | |