JB ZQ 4010 - 2006 碟形弹簧垫圈
工艺:
详细信息
JB ZQ 4010 - 2006 碟形弹簧垫圈
材质、等级:100HV、140HV、200HV、300HV等
表面处理:镀普通蓝白锌、普通彩锌、热镀锌、环保彩锌、环保蓝白锌、环保达克罗等
盐雾时间:可做72H、96H、120H、300H、360H、720H等高盐雾处理
电话咨询:400-086-0001 025-86183701-8026
徐小姐
邮件咨询:dm8026@18luosi.com
QQ咨询:2850588428

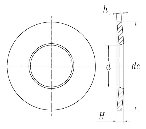
| 规格 | 6 | 8 | 10 | 12 | 16 | 20 | 24 | 30 | |
| d | 最大值 | 6.76 | 8.76 | 10.86 | 13.43 | 17.43 | 21.52 | 25.52 | 31.52 |
| 最小值 | 6.4 | 8.4 | 10.5 | 13 | 17 | 21 | 25 | 31 | |
| dc | 最大值 | 14 | 18 | 23 | 29 | 39 | 45 | 56 | 70 |
| 最小值 | 13.57 | 17.57 | 22.48 | 28.48 | 38.38 | 44.38 | 55.26 | 69.26 | |
| h | 1.5 | 2 | 2.5 | 3 | 4 | 5 | 6 | 7 | |
| H | 最大值 | 2 | 2.6 | 3.2 | 3.95 | 5.25 | 6.4 | 7.75 | 9.2 |
| 最小值 | 1.7 | 2.24 | 2.8 | 3.43 | 4.58 | 5.6 | 6.77 | 8 | |
| 弹力(N) | 8500 | 14900 | 22100 | 34100 | 59700 | 93200 | 131000 | 172000 | |
| 压紧力(N) | 9250 | 17000 | 27100 | 39500 | 75000 | 117000 | 169000 | 269000 | |
| 千件重kg | 1.43 | 3.13 | 6.45 | 12.4 | 30.4 | 48.8 | 92.9 | 170 | |