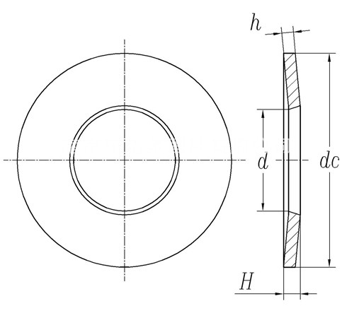
NF E 25-510 - 2008 碟形弹簧垫圈(螺栓锁紧连接件用锥面固定垫圈
工艺:
详细信息
NF E 25-510 - 2008 碟形弹簧垫圈(螺栓锁紧连接件用锥面固定垫圈
材质、等级:100HV、140HV、200HV、300HV等
表面处理:镀普通蓝白锌、普通彩锌、热镀锌、环保彩锌、环保蓝白锌、环保达克罗等
盐雾时间:可做72H、96H、120H、300H、360H、720H等高盐雾处理
电话咨询:400-086-0001 025-86183701-8026
徐小姐
邮件咨询:dm8026@18luosi.com
QQ咨询:2850588428

| 公称直径 d | Φ5 | Φ5 | Φ6 | Φ6 | Φ6 | Φ8 | Φ8 | Φ8 | Φ10 | Φ10 | Φ10 | Φ12 | Φ12 | Φ14 | Φ16 | Φ16 | Φ20 | Φ20 | |
| d | 最大值 | 5.6 | 5.6 | 6.76 | 6.76 | 6.76 | 8.76 | 8.76 | 8.76 | 10.93 | 10.93 | 10.93 | 13.43 | 13.43 | 15.43 | 17.43 | 17.43 | 21.52 | 21.52 |
| 最小值 | 5.3 | 5.3 | 6.4 | 6.4 | 6.4 | 8.4 | 8.4 | 8.4 | 10.5 | 10.5 | 10.5 | 13 | 13 | 15 | 17 | 17 | 21 | 21 | |
| dc | 公称 | 18 | 15 | 12 | 14 | 18 | 16 | 18 | 22 | 20 | 22 | 27 | 24 | 30 | 28 | 32 | 39 | 38 | 45 |
| 最大值 | 18.35 | 15.35 | 12.35 | 14.35 | 18.35 | 16.35 | 18.35 | 22.42 | 20.42 | 22.42 | 27.42 | 24.42 | 30.42 | 28.42 | 32.5 | 39.5 | 38.5 | 45.5 | |
| 最小值 | 17.57 | 14.57 | 11.57 | 13.57 | 17.57 | 15.57 | 17.57 | 21.48 | 19.48 | 21.48 | 26.48 | 23.48 | 29.48 | 27.48 | 31.5 | 38.5 | 37.5 | 44.5 | |
| h | 公称 | 1.2 | 1.4 | 1.4 | 1.5 | 1.7 | 1.9 | 2 | 2.2 | 2.2 | 2.4 | 2.8 | 2.8 | 3.2 | 3 | 3.4 | 3.6 | 4 | 4.4 |
| 最大值 | 1.24 | 1.44 | 1.44 | 1.55 | 1.75 | 1.95 | 2.05 | 2.25 | 2.25 | 2.45 | 2.86 | 2.86 | 3.26 | 3.06 | 3.47 | 3.67 | 4.07 | 4.47 | |
| 最小值 | 1.16 | 1.36 | 1.36 | 1.45 | 1.65 | 1.85 | 1.95 | 2.15 | 2.15 | 2.35 | 2.74 | 2.74 | 3.14 | 2.94 | 3.33 | 3.53 | 3.93 | 4.33 | |
| H | 最大值 | 1.8 | 2.1 | 2 | 2.2 | 2.4 | 2.6 | 2.7 | 3 | 3.1 | 3.3 | 3.7 | 3.6 | 4.2 | 3.9 | 4.3 | 4.7 | 5.1 | 6.4 |
| 最小值 | 1.5 | 1.8 | 1.7 | 1.9 | 2.1 | 2.3 | 2.4 | 2.6 | 2.7 | 2.9 | 3.3 | 3.2 | 3.8 | 3.5 | 3.9 | 4.3 | 4.7 | 5.9 | |