GB/T 9074.2 - 1988 十字槽盘头螺钉和外锯齿锁紧垫圈组合件

工艺:

详细信息

GB/T 9074.2 - 1988 十字槽盘头螺钉和外锯齿锁紧垫圈组合件

 

材质、等级:4.8级、8.8级、10.9级、12.9级、304、316等。

 

表面处理:环保蓝白锌,环保彩锌,环保达克罗,锌镍合金,镀镍,环保黑锌等。

 

盐雾时间:可做48H、72H、120H、240H等。

 

可做十字一字复合槽、防盗槽型、锁紧螺纹、涂胶螺钉等,可根据客户要求进行定制。

 

电话咨询:400-086-0001 025-86183701-8026

 

徐小姐

 

邮件咨询:dm8026@18luosi.com

 

QQ咨询:2850588428 

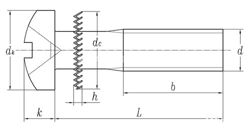
公称直径 M3 M4 M5 M6
b 最小值 25 38 38 38
h 1.2 1.5 1.8 1.8
dc 公称 6 8 10 11
dk 最大值 5.6 8 9.5 12
最小值 5.3 7.64 9.14 11.57
k 最大值 2.4 3.1 3.7 4.6
最小值 2.26 2.92 3.52 4.3
①,说明:除规定外,其余按GB 818的规定