GB/T 9074.5 - 2004 十字槽小盘头螺钉和平垫圈组合件
工艺:
详细信息
GB/T 9074.5 - 2004 十字槽小盘头螺钉和平垫圈组合件
材质、等级:4.8级、8.8级、10.9级、12.9级、304、316等。
表面处理:环保蓝白锌,环保彩锌,环保达克罗,锌镍合金,镀镍,环保黑锌等。
盐雾时间:可做48H、72H、120H、240H等。
可做十字一字复合槽、防盗槽型、锁紧螺纹、涂胶螺钉等,可根据客户要求进行定制。
电话咨询:400-086-0001 025-86183701-8026
徐小姐
邮件咨询:dm8026@18luosi.com
QQ咨询:2850588428
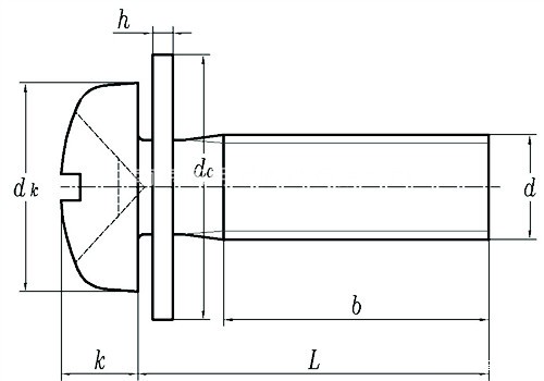
公称直径 | M2 | M2.5 | M3 | (M3.5) | M4 | M5 | M6 | M8 | ||||
P | 螺距 | 0.4 | 0.45 | 0.5 | 0.6 | 0.7 | 0.8 | 1 | 1.25 | |||
h | 公称 | 小系列 S型 | 0.6 | 0.6 | 0.6 | 0.8 | 0.8 | 1 | 1.6 | 1.6 | ||
标准系列 N型 | 0.6 | 0.6 | 0.6 | 0.8 | 0.8 | 1 | 1.6 | 1.6 | ||||
大系列 L型 | 0.6 | 0.6 | 0.8 | 0.8 | 1 | 1 | 1.6 | 2 | ||||
dc | 最大值 | 小系列 S型 | 4.5 | 5 | 6 | 7 | 8 | 9 | 11 | 15 | ||
标准系列 N型 | 5 | 6 | 7 | 8 | 9 | 10 | 12 | 16 | ||||
大系列 L型 | 6 | 8 | 9 | 11 | 12 | 15 | 18 | 24 | ||||
①,螺钉应有直径为d的细杆,垫圈直径应符合GB/T 97.4, 以便能自由转动。 | ||||||||||||
②,从支承面到第一扣完整螺纹始端的距离,应加大到可容纳垫圈的最大厚度。对这类产品,是将螺纹碾制到接近垫圈的位置。 | ||||||||||||
③,十字小盘头螺钉:GB 823 |