Q 146(B) 六角头螺栓与弹垫、平垫组合
工艺:
详细信息
Q 146(B) 六角头螺栓与弹垫、平垫组合
材质、等级:4.8级、8.8级、10.9级、12.9级、304、316等。
表面处理:环保蓝白锌,环保彩锌,环保达克罗,锌镍合金,镀镍,环保黑锌等。
盐雾时间:可做48H、72H、120H、240H等。
可做十字一字复合槽、防盗槽型、锁紧螺纹、涂胶螺钉等,可根据客户要求进行定制。
电话咨询:400-086-0001 025-86183701-8026
徐小姐
邮件咨询:dm8026@18luosi.com
QQ咨询:2850588428

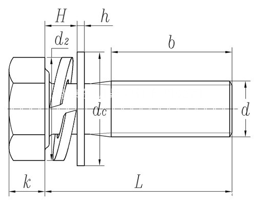
| 公称直径 | M3 | M4 | M5 | M6 | M8 | M10 | M12 | |
| h | 公称 | 0.6 | 0.8 | 1 | 1.6 | 1.6 | 2 | 2.5 |
| H | 最大值 | 2 | 2.75 | 3.25 | 4 | 5 | 6.25 | 7.5 |
| dc | 公称 | 7 | 9 | 10 | 12 | 16 | 20 | 24 |
| d2 | 参考 | 5.23 | 6.78 | 8.75 | 10.71 | 13.64 | 16.59 | 19.5 |