Q 146(B) 六角头螺栓与弹垫、平垫组合

工艺:

详细信息

Q 146(B) 六角头螺栓与弹垫、平垫组合

 

材质、等级:4.8级、8.8级、10.9级、12.9级、304、316等。

 

表面处理:环保蓝白锌,环保彩锌,环保达克罗,锌镍合金,镀镍,环保黑锌等。

 

盐雾时间:可做48H、72H、120H、240H等。

 

可做十字一字复合槽、防盗槽型、锁紧螺纹、涂胶螺钉等,可根据客户要求进行定制。

 

电话咨询:400-086-0001 025-86183701-8026

 

徐小姐

 

邮件咨询:dm8026@18luosi.com

 

QQ咨询:2850588428 

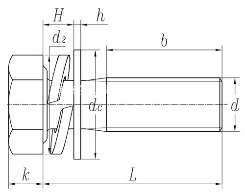
公称直径 M3 M4 M5 M6 M8 M10 M12
h 公称 0.6 0.8 1 1.6 1.6 2 2.5
H 最大值 2 2.75 3.25 4 5 6.25 7.5
dc 公称 7 9 10 12 16 20 24
d2 参考 5.23 6.78 8.75 10.71 13.64 16.59 19.5