GB/T 9074.11 - 1988 十字槽凹穴六角头螺栓和平垫圈组合件
工艺:
详细信息
GB/T 9074.11 - 1988 十字槽凹穴六角头螺栓和平垫圈组合件
材质、等级:4.8级、8.8级、10.9级、12.9级、304、316等。
表面处理:环保蓝白锌,环保彩锌,环保达克罗,锌镍合金,镀镍,环保黑锌等。
盐雾时间:可做48H、72H、120H、240H等。
可做十字一字复合槽、防盗槽型、锁紧螺纹、涂胶螺钉等,可根据客户要求进行定制。
电话咨询:400-086-0001 025-86183701-8026
徐小姐
邮件咨询:dm8026@18luosi.com
QQ咨询:2850588428
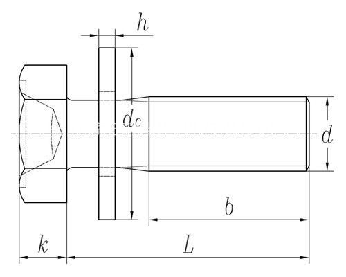
公称直径 | M4 | M5 | M6 | M8 | |
b | 最小值 | 38 | 38 | 38 | 38 |
dc | 公称 | 9 | 10 | 12 | 16 |
h | 公称 | 0.8 | 1 | 1.6 | 1.6 |
①,其他尺寸参考 | |||||
螺栓:GB 29.2; 垫圈:GB 9074.24 |