DIN 9250 (S)碳钢防松垫圈
工艺:
详细信息
DIN 9250 (S)碳钢防松垫圈
材质、等级:100HV、140HV、200HV、300HV等
表面处理:镀普通蓝白锌、普通彩锌、热镀锌、环保彩锌、环保蓝白锌、环保达克罗等
盐雾时间:可做72H、96H、120H、300H、360H、720H等高盐雾处理
电话咨询:400-086-0001 025-86183701-8026
徐小姐
邮件咨询:dm8026@18luosi.com
QQ咨询:2850588428

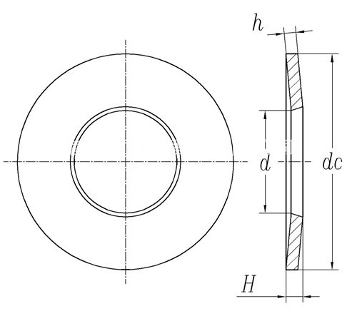
| 公称直径 | Φ1.6 | Φ2 | Φ2.5 | Φ3 | Φ3.5 | Φ4 | Φ5 | Φ6 | 1月4日 | Φ7 | Φ8 | Φ10 | 7/16 | Φ12 | 1/2 | Φ14 | Φ16 | Φ18 | 3/4 | Φ20 | Φ22 | Φ24 | 1 | Φ27 | Φ30 | Φ33 | Φ36 | |
| d | 1.7 | 2.2 | 2.7 | 3.2 | 3.7 | 4.3 | 5.3 | 6.4 | 6.7 | 7.4 | 8.4 | 10.5 | 11.6 | 13 | 13.7 | 15 | 17 | 19 | 20 | 21 | 23 | 25.6 | 27 | 28.6 | 31.6 | 34 | 38 | |
| dc | 3.2 | 4 | 4.8 | 5.5 | 6 | 7 | 9 | 10 | 9.5 | 12 | 13 | 16 | 15.9 | 18 | 19 | 22 | 24 | 27 | 30 | 30 | 33 | 36 | 38 | 39 | 45 | 50 | 54 | |
| h | 0.35 | 0.35 | 0.45 | 0.45 | 0.45 | 0.5 | 0.6 | 0.6 | 0.6 | 0.7 | 0.7 | 0.9 | 0.9 | 1 | 1 | 1.1 | 1.3 | 1.4 | 1.4 | 1.4 | 1.4 | 1.6 | 1.8 | 1.8 | 1.8 | 2.5 | 2.5 | |
| H | 最大值 | 0.6 | 0.6 | 0.9 | 0.9 | 0.9 | 1 | 1.1 | 1.2 | 1.2 | 1.3 | 1.4 | 1.6 | 1.6 | 1.7 | 1.8 | 2 | 2.1 | 2.3 | 2.5 | 2.5 | 2.7 | 2.9 | 3.1 | 3.1 | 3.6 | 4 | 4.2 |
| 最小值 | 0.4 | 0.4 | 0.5 | 0.5 | 0.55 | 0.55 | 0.6 | 0.7 | 0.65 | 0.8 | 0.9 | 1.1 | 1.05 | 1.15 | 1.25 | 1.35 | 1.55 | 1.75 | 1.9 | 1.85 | 1.95 | 2.15 | 2.35 | 2.35 | 2.6 | 3.25 | 3.2 | |
| 千件重(钢制)≈kg | 0.013 | 0.021 | 0.039 | 0.049 | 0.055 | 0.085 | 0.167 | 0.2 | 0.15 | 0.355 | 0.3925 | 0.75 | 0.595 | 0.879 | 0.976 | 1.641 | 1.984 | 2.97 | 4.1 | 3.742 | 4.507 | 5.91 | 7.449 | 7.369 | 10.78 | 19.8 | 21.28 | |