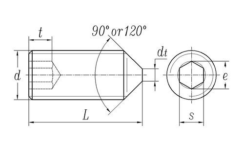
GB/T 78 - 2007 内六角锥端紧定螺钉
工艺:
详细信息
GB/T 78 - 2007 内六角锥端紧定螺钉
材质、等级:8.8级、10.9级、12.9级 、A2-70、A4-70 、A4-80等
表面处理:镀普通蓝白锌、普通彩锌、热镀锌、环保彩锌、环保蓝白锌、环保达克罗等
盐雾时间:可做72H、96H、120H、300H、360H、720H等高盐雾处理
电话咨询:400-086-0001 025-86183701-8026
徐小姐
邮件咨询:dm8026@18luosi.com
QQ咨询:2850588428

| 公称直径 | M1.6 | M2 | M2.5 | M3 | M4 | M5 | M6 | M8 | M10 | M12 | M16 | M20 | M24 | |
| P | 螺距 | 0.35 | 0.4 | 0.45 | 0.5 | 0.7 | 0.8 | 1 | 1.25 | 1.5 | 1.75 | 2 | 2.5 | 3 |
| dt | 最大值 | 0.4 | 0.5 | 0.65 | 0.75 | 1 | 1.25 | 1.5 | 2 | 2.5 | 3 | 4 | 5 | 6 |
| s | 公称 | 0.7 | 0.9 | 1.3 | 1.5 | 2 | 2.5 | 3 | 4 | 5 | 6 | 8 | 10 | 12 |
| 最大值 | 0.724 | 0.913 | 1.3 | 1.58 | 2.08 | 2.58 | 3.08 | 4.095 | 5.14 | 6.14 | 8.175 | 10.175 | 12.212 | |
| 最小值 | 0.71 | 0.887 | 1.275 | 1.52 | 2.02 | 2.52 | 3.02 | 4.02 | 5.02 | 6.02 | 8.025 | 10.025 | 12.032 | |
| t | 最小值 | 0.7 | 0.8 | 1.2 | 1.2 | 1.5 | 2 | 2 | 3 | 4 | 4.8 | 6.4 | 8 | 10 |