QC/T 867 - 2011 焊接圆螺母
工艺:
详细信息
QC/T 867 - 2011 焊接圆螺母
材质、等级:4级、8级、10级、12级、A2-70、A4-70 、A4-80等
表面处理:镀普通蓝白锌、普通彩锌、热镀锌、环保彩锌、环保蓝白锌、环保达克罗等
盐雾时间:可做72H、96H、120H、300H、360H、720H等高盐雾处理
电话咨询:400-086-0001 025-86183701-8026
徐小姐
邮件咨询:dm8026@18luosi.com
QQ咨询:2850588428

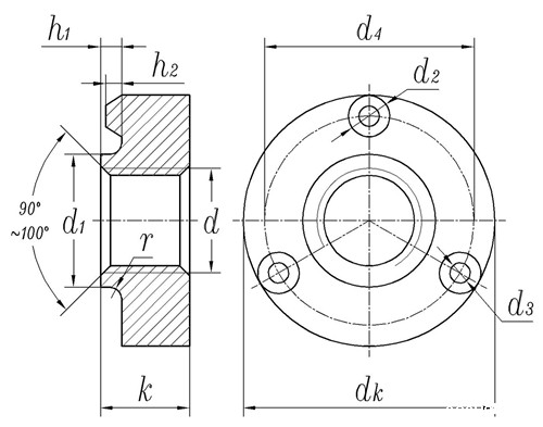
| 公称直径 | M4 | M5 | M6 | M8 | M10 | M12 | |
| P | 螺距 | 0.7 | 0.8 | 1 | 1.25 | 1.5 | 1.75 |
| d4 | 最大值 | 10.9 | 11.9 | 13.3 | 17.9 | 19.9 | 22.7 |
| 最小值 | 10.5 | 11.5 | 12.9 | 17.5 | 19.5 | 22.3 | |
| dk | 最大值 | 13.7 | 14.7 | 16.5 | 22.2 | 24.2 | 27.7 |
| 最小值 | 13.3 | 14.3 | 16.1 | 21.8 | 23.8 | 27.3 | |
| d3 | 最大值 | 2.8 | 2.8 | 3.2 | 4.3 | 4.3 | 5 |
| 最小值 | 2.5 | 2.5 | 2.9 | 4 | 4 | 4.7 | |
| d2 | 最大值 | 0.95 | 0.95 | 1.5 | 2.1 | 2.1 | 2.5 |
| 最小值 | 0.65 | 0.65 | 1.2 | 1.8 | 1.8 | 2.2 | |
| d1 | 最大值 | 5.7 | 6.7 | 7.7 | 10.7 | 12.7 | 14.7 |
| 最小值 | 5.5 | 6.5 | 7.5 | 10.4 | 12.4 | 14.4 | |
| k | 最大值 | 4.45 | 4.7 | 5.2 | 6.8 | 8.4 | 10.8 |
| 最小值 | 4.15 | 4.4 | 4.9 | 6.44 | 8.04 | 10.37 | |
| h1 | 最大值 | 1.35 | 1.35 | 1.55 | 2 | 2 | 2.5 |
| 最小值 | 1.1 | 1.1 | 1.3 | 1.75 | 1.75 | 2.25 | |
| h2 | 最大值 | 0.85 | 0.85 | 1 | 1.5 | 1.5 | 2 |
| 最小值 | 0.65 | 0.65 | 0.75 | 1.19 | 1.19 | 1.78 | |
| r | 最大值 | 0.65 | 0.65 | 0.75 | 1 | 1 | 1 |
| 最小值 | 0.15 | 0.15 | 0.25 | 0.5 | 0.5 | 0.5 | |