GB/T 9074.2 - 1988 十字槽盘头螺钉和外锯齿锁紧垫圈组合件
工艺:
详细信息
GB/T 9074.2 - 1988 十字槽盘头螺钉和外锯齿锁紧垫圈组合件
材质、等级:4.8级、8.8级、10.9级、12.9级、304、316等。
表面处理:环保蓝白锌,环保彩锌,环保达克罗,锌镍合金,镀镍,环保黑锌等。
盐雾时间:可做48H、72H、120H、240H等。
可做十字一字复合槽、防盗槽型、锁紧螺纹、涂胶螺钉等,可根据客户要求进行定制。
电话咨询:400-086-0001 025-86183701-8026
徐小姐
邮件咨询:dm8026@18luosi.com
QQ咨询:2850588428
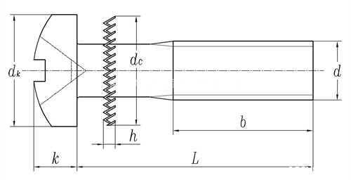
公称直径 | M3 | M4 | M5 | M6 | |
b | 最小值 | 25 | 38 | 38 | 38 |
h | ≈ | 1.2 | 1.5 | 1.8 | 1.8 |
dc | 公称 | 6 | 8 | 10 | 11 |
dk | 最大值 | 5.6 | 8 | 9.5 | 12 |
最小值 | 5.3 | 7.64 | 9.14 | 11.57 | |
k | 最大值 | 2.4 | 3.1 | 3.7 | 4.6 |
最小值 | 2.26 | 2.92 | 3.52 | 4.3 | |
①,说明:除规定外,其余按GB 818的规定 |