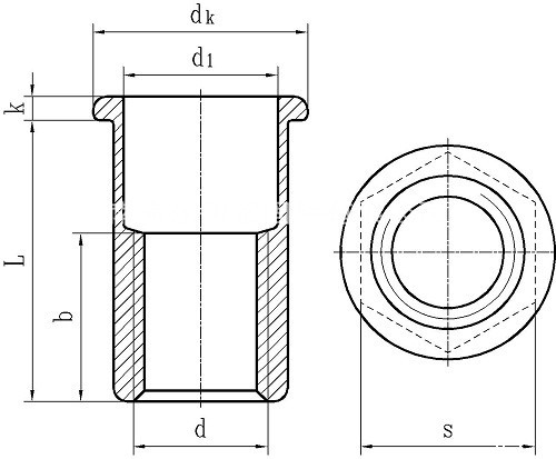
GB/ T 17880.5 - 1999 平头六角铆螺母
工艺:
详细信息
GB/T 17880.5 - 1999 平头六角铆螺母
材质、等级:碳钢、不锈钢、铝材质等
表面处理:普通蓝白锌、普通彩锌、环保蓝白锌、环保彩锌、环保黑锌、环保达克罗等
盐雾时间:可做72H、144H、720H等
形状可分为:六角型、圆柱型、带竖纹等(具体可咨询客服)
南京东明紧固件代理销售各种铆螺母及配套工具,如有需求请电话联系。
电话咨询:400-086-0001 025-86183701-8026
徐小姐
邮件咨询:dm8026@18luosi.com
QQ咨询:2850588428
手机咨询:13584080500
公称直径 | M6 | M8 | M10 | M10 | M12 | M12 | |
P | 螺距 | 1 | 1.25 | 1.5 | 1 | 1.75 | 1.5 |
s | 公称 | 9 | 11 | 13 | 13 | 15 | 15 |
最大值 | 8.97 | 10.97 | 12.97 | 12.97 | 14.97 | 14.97 | |
最小值 | 8.9 | 10.9 | 12.9 | 12.9 | 14.9 | 14.9 | |
d1 | 最大值 | 8.15 | 10.15 | 11.68 | 11.68 | 13.68 | 13.68 |
最小值=公称 | 8 | 10 | 11.5 | 11.5 | 13.5 | 13.5 | |
dk | 最大值 | 12 | 14 | 16 | 16 | 18 | 18 |
k | 1.5 | 1.5 | 1.8 | 1.8 | 1.8 | 1.8 | |
①,b=(1.25~1.5)d |