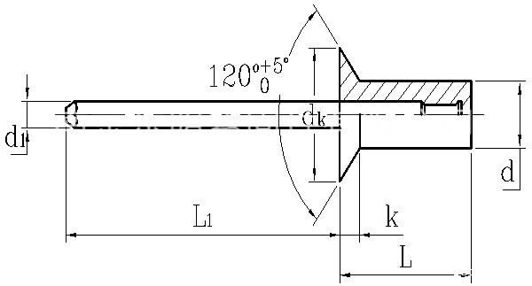
ISO 15974 - 2000 沉头封闭型抽芯铆钉
工艺:
详细信息
ISO 15974 - 2000 沉头封闭型抽芯铆钉
材质、等级:(钉芯+钉帽)碳钢+碳钢、碳钢+铝合金、铝合金+铝合金、碳钢+不锈钢、不锈钢304+不锈钢304
表面处理:蓝白锌、不锈钢本色、铝合金阳极氧化(红、绿、蓝等彩色)
盐雾时间:可做72H、144H等,特殊盐雾需要和客服人员进行沟通确认。
ray雷竞技入口专业销售抽芯铆钉等,如需技术选型及参数请联系客服。
电话咨询:400-086-0001 025-86183701-8026
徐小姐
邮件咨询:dm8026@18luosi.com
QQ咨询:2850588428
手机咨询:13584080500

| 公称直径 | Φ3.2 | Φ4 | Φ4.8 | |
| d | 最大值 | 3.28 | 4.08 | 4.88 |
| 最小值 | 3.05 | 3.85 | 4.65 | |
| dk | 最大值 | 6.7 | 8.4 | 10.1 |
| 最小值 | 5.8 | 6.9 | 8.3 | |
| k | 最大值 | 1.3 | 1.7 | 2 |
| d1 | 最大值 | 1.85 | 2.35 | 2.77 |
| L1 | 最小值 | 25 | 25 | 27 |