Q 440(B) 开口型平圆头抽芯铆钉 10、11级
工艺:
详细信息
Q 440(B) 开口型平圆头抽芯铆钉 10、11级
材质、等级:(钉芯+钉帽)碳钢+碳钢、碳钢+铝合金、铝合金+铝合金、碳钢+不锈钢、不锈钢304+不锈钢304
表面处理:蓝白锌、不锈钢本色、铝合金阳极氧化(红、绿、蓝等彩色)
盐雾时间:可做72H、144H等,特殊盐雾需要和客服人员进行沟通确认。
ray雷竞技入口专业销售抽芯铆钉等,如需技术选型及参数请联系客服。
电话咨询:400-086-0001 025-86183701-8026
徐小姐
邮件咨询:dm8026@18luosi.com
QQ咨询:2850588428
手机咨询:13584080500
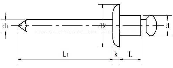
公称直径 d | Φ3 | (Φ3.2) | Φ4 | Φ5 | Φ6 | |
d | 最大值 | 3.08 | 3.28 | 4.08 | 5.08 | 6.08 |
最小值 | 2.85 | 3.05 | 3.85 | 4.85 | 5.85 | |
dk | 最大值 | 6.3 | 6.7 | 8.4 | 10.5 | 12.6 |
最小值 | 5.4 | 5.8 | 6.9 | 8.7 | 10.8 | |
k | 最大值 | 1.3 | 1.3 | 1.7 | 2.1 | 2.5 |
d1 | 最大值 | 2 | 2 | 2.45 | 2.95 | 3.4 |
L1 | 最小值 | 25 | 25 | 27 | 27 | 27 |
剪切载荷(min)-10级 | 400 | 500 | 850 | 1400 | 2100 | |
拉力载荷(min)-10级 | 550 | 700 | 1200 | 2000 | 3000 | |
钉芯载荷(max)-10级 | 3000 | 3500 | 5000 | 6500 | 9000 | |
剪切载荷(min)-11级 | 550 | 750 | 1250 | 2150 | 3200 | |
拉力载荷(min)-11级 | 850 | 1100 | 1800 | 3100 | 4600 | |
钉芯载荷(max)-11级 | 3000 | 3500 | 5000 | 6500 | 9000 |