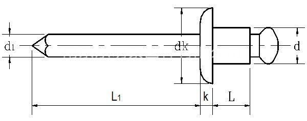
Q 449 塑料件用开口型圆头抽芯铆钉
工艺:
详细信息
Q 449 塑料件用开口型圆头抽芯铆钉
材质、等级:(钉芯+钉帽)碳钢+碳钢、碳钢+铝合金、铝合金+铝合金、碳钢+不锈钢、不锈钢304+不锈钢304
表面处理:蓝白锌、不锈钢本色、铝合金阳极氧化(红、绿、蓝等彩色)
盐雾时间:可做72H、144H等,特殊盐雾需要和客服人员进行沟通确认。
ray雷竞技入口专业销售抽芯铆钉等,如需技术选型及参数请联系客服。
电话咨询:400-086-0001 025-86183701-8026
徐小姐
邮件咨询:dm8026@18luosi.com
QQ咨询:2850588428
手机咨询:13584080500
公称直径 d | Φ4 | Φ4 | Φ4 | Φ4 | Φ4 | Φ4 | Φ4.8 | Φ4.8 | Φ4.8 | |
d | 公称 | 4 | 4 | 4 | 4 | 4 | 4 | 4.8 | 4.8 | 4.8 |
最小值 | 3.9 | 3.9 | 3.9 | 3.9 | 3.9 | 3.9 | 4.7 | 4.7 | 4.7 | |
最大值 | 4.1 | 4.1 | 4.1 | 4.1 | 4.1 | 4.1 | 4.9 | 4.9 | 4.9 | |
dk | 最小值 | 7.7 | 7.7 | 7.7 | 7.7 | 7.7 | 7.7 | 9.2 | 9.2 | 9.2 |
最大值 | 8.1 | 8.1 | 8.1 | 8.1 | 8.1 | 8.1 | 9.7 | 9.7 | 9.7 | |
d1 | 2.3 | 2.3 | 2.3 | 2.3 | 2.3 | 2.3 | 2.6 | 2.6 | 2.6 | |
k | 最小值 | 1 | 1 | 1 | 1 | 1 | 1 | 1.2 | 1.2 | 1.2 |
最大值 | 1.3 | 1.3 | 1.3 | 1.3 | 1.3 | 1.3 | 1.5 | 1.5 | 1.5 | |
L | 公称 | 8.5 | 10.3 | 12.1 | 13.9 | 15.7 | 17.5 | 9.2 | 10 | 14.6 |
最小值 | 8.5 | 10.3 | 12.1 | 13.9 | 15.7 | 17.5 | 9.2 | 10 | 14.6 | |
最大值 | 9.5 | 11.3 | 13.1 | 14.9 | 16.7 | 18.5 | 10.2 | 11 | 15.6 | |
L1 | 最小值 | 30 | 30 | 30 | 30 | 30 | 30 | 35 | 35 | 35 |