DIN 908 - 2012 内六角圆柱头喉塞
工艺:
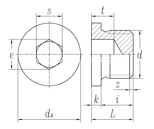
详细信息
DIN 908 - 2012 内六角圆柱头喉塞
喉塞是一种装在管道或螺纹上,主要起到堵塞作用的部件。主要是防止管道内的液体、气体等泄露。
材质、等级:304不锈钢、316不锈钢等,具有不生锈、耐腐蚀、硬度高等优点,可以大大提高使用寿命。
喉塞形状来分:有内六角喉塞、内六角圆柱头喉塞、六角头螺塞等。标准:DIN906、DIN908、DIN910等。
ray雷竞技入口专业销售喉塞等,如需技术选型及参数请联系客服。
电话咨询:400-086-0001 025-86183701-8026
徐小姐
邮件咨询:dm8026@18luosi.com
QQ咨询:2850588428
手机咨询:13584080500

| 规格 | M10 | M12 | - | M14 | M16 | - | M18 | M20 | - | M22 | M24 | M26 | M27 | M30 | M33 | M36 | M38 | M39 | M42 | M45 | M48 | M52 | - | M56 | M60 | M64 | ||
| d | 管螺纹 | G1/8A | - | G1/4A | - | - | G3/8A | - | - | G1/2A | - | - | - | G3/4A | - | G1A | - | G1 1/8A | - | G1 1/4A | - | G1 1/2A | - | G1 3/4A | - | G2A | - | |
| P | 螺距 | 1 | 1 | 1.5 | - | 1.5 | 1.5 | - | 1.5 | 1.5 | - | 1.5 | 1.5 | 1.5 | 2 | 1.5 | - | 1.5 | 1.5 | - | 1.5 | 1.5 | 1.5 | 1.5 | - | - | - | - |
| 2 | - | - | - | - | - | - | - | - | - | - | - | - | - | 2 | 2 | 2 | - | 2 | 2 | 2 | 2 | 2 | - | 2 | 2 | 2 | ||
| k | 最小值=公称 | 3 | 3 | 3 | 3 | 3 | 3 | 4 | 4 | 4 | 4 | 4 | 4 | 4 | 4 | 5 | 5 | 5 | 5 | 5 | 5 | 5 | 5 | 5 | 5 | 5 | 5 | |
| 最大值 | 3.5 | 3.5 | 3.5 | 3.5 | 3.5 | 3.5 | 4.5 | 4.5 | 4.5 | 4.5 | 4.5 | 4.5 | 4.5 | 4.5 | 5.5 | 5.5 | 5.5 | 5.5 | 5.5 | 5.5 | 5.5 | 5.5 | 5.5 | 5.5 | 5.5 | 5.5 | ||
| dk | 最大值=公称 | 14 | 17 | 18 | 19 | 21 | 22 | 23 | 25 | 26 | 27 | 29 | 31 | 32 | 36 | 39 | 42 | 44 | 46 | 49 | 52 | 55 | 60 | 62 | 64 | 68 | 72 | |
| 最小值 | 13.57 | 16.57 | 17.57 | 18.48 | 20.48 | 21.48 | 22.48 | 24.48 | 25.48 | 26.48 | 28.48 | 30.38 | 31.38 | 35.38 | 38.38 | 41.38 | 43.38 | 45.38 | 48.38 | 51.26 | 54.26 | 59.26 | 61.26 | 63.26 | 67.26 | 71.26 | ||
| i | ± 0.2 | 8 | 12 | 12 | 12 | 12 | 12 | 12 | 14 | 14 | 14 | 14 | 16 | 16 | 16 | 16 | 16 | 16 | 16 | 16 | 16 | 16 | 16 | 20 | 20 | 20 | 20 | |
| L | ≈ | 11 | 15 | 15 | 15 | 15 | 15 | 16 | 18 | 18 | 18 | 18 | 20 | 20 | 20 | 21 | 21 | 21 | 21 | 21 | 21 | 21 | 21 | 25 | 25 | 25 | 25 | |
| s | 公称 | 5 | 6 | 6 | 6 | 8 | 8 | 8 | 10 | 10 | 10 | 12 | 12 | 12 | 17 | 17 | 19 | 19 | 19 | 22 | 22 | 24 | 24 | 32 | 32 | 32 | 32 | |
| 最大值 | 5.15 | 6.15 | 6.15 | 6.15 | 8.19 | 8.19 | 8.19 | 10.19 | 10.19 | 10.19 | 12.23 | 12.23 | 12.23 | 17.23 | 17.23 | 19.275 | 19.275 | 19.275 | 22.275 | 22.275 | 24.275 | 24.275 | 32.33 | 32.33 | 32.33 | 32.33 | ||
| 最小值 | 5.03 | 6.03 | 6.03 | 6.03 | 8.04 | 8.04 | 8.04 | 10.04 | 10.04 | 10.04 | 12.05 | 12.05 | 12.05 | 17.05 | 17.05 | 19.065 | 19.065 | 19.065 | 22.065 | 22.065 | 24.065 | 24.065 | 32.08 | 32.08 | 32.08 | 32.08 | ||
| t | 最小值 | 5 | 7 | 7 | 7 | 7.5 | 7.5 | 7.5 | 7.5 | 7.5 | 7.5 | 7.5 | 9 | 9 | 9 | 9 | 10.5 | 10.5 | 10.5 | 10.5 | 10.5 | 10.5 | 10.5 | 14 | 14 | 14 | 14 | |
| 千件重kg | 6.3 | 11.3 | 14.6 | 16 | 19 | 21.4 | 28.3 | 37.5 | 40.8 | 47.5 | 53.5 | 68.7 | 73.5 | 84 | 111 | 134 | 149 | 163 | 187 | 215 | 246 | 302 | 320 | 386 | 445 | 530 | ||