Q114 短周期弧焊焊接螺柱
工艺:
详细信息
Q114 短周期弧焊焊接螺柱
将金属螺柱或类似的其他金属部件(栓、钉等)焊接到工件(一般为板件)上去的方法称为螺柱焊,此处用于焊接的螺柱称为焊接螺柱。
材质、等级:304、碳钢、铝合金等材质
表面处理:不锈钢本色、碳钢镀铜、碳钢本色、铝合金本色等。
焊接螺柱分类:储能焊、长周期拉弧焊、短周期拉弧焊、手工焊接等。
ray雷竞技入口专业销售焊接螺柱等,如需技术选型及参数请联系客服。
电话咨询:400-086-0001 025-86183701-8026
徐小姐
邮件咨询:dm8026@18luosi.com
QQ咨询:2850588428
手机咨询:13584080500

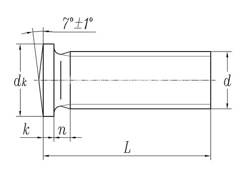
| 公称直径 | M3 | M4 | M5 | M6 | M8 | M10 | |
| P | 螺距 | 0.5 | 0.7 | 0.8 | 1 | 1.25 | 1.5 |
| dk | 公称 | 4 | 5 | 6 | 7 | 9 | 11 |
| 最大值 | 4.2 | 5.2 | 6.2 | 7.2 | 9.2 | 11.2 | |
| 最小值 | 3.8 | 4.8 | 5.8 | 6.8 | 8.8 | 10.8 | |
| n | 最大值 | 1.5 | 1.5 | 2 | 2 | 2 | 2 |
| k | ≈ | 0.7~1.4 | 0.7~1.4 | 0.7~1.4 | 0.7~1.4 | 0.7~1.4 | 0.7~1.4 |
| ①,当焊接钢板厚度≥2mm时,焊接时间可以大于60ms,7°±1°角度可以增至14°。 | |||||||