ANSIASME B 18.6.3 - 2013 开槽圆头螺钉 [Table 35]

工艺:

详细信息

ANSIASME B 18.6.3 - 2013 开槽圆头螺钉 [Table 35]

 

材质、等级:4.8级、8.8级、10.9级、12.9级、304、316等。

 

表面处理:环保蓝白锌,环保彩锌,环保达克罗,锌镍合金,镀镍,环保黑锌等。

 

盐雾时间:可做48H、72H、120H、240H等。

 

可做十字一字复合槽、防盗槽型、锁紧螺纹、涂胶螺钉等,可根据客户要求进行定制。

 

电话咨询:400-086-0001 025-86183701-8026

 

徐小姐

 

邮件咨询:dm8026@18luosi.com

 

QQ咨询:2850588428 

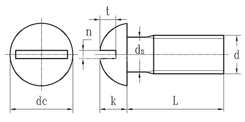
螺纹尺寸 d 0000# 000# 00#  0# 1# 2# 3# 4# 5# 6# 7#  8# 10# 12# 14#   1/4 16#  18#    5/16 20#  24#   3/8   7/16   1/2 9/16 5/8  3/4 
d 公称 0.021 0.034 0.047 0.06 0.073 0.086 0.099 0.112 0.125 0.138 0.151 0.164 0.19 0.216 0.242 0.25 0.268 0.294 0.3125 0.32 0.372 0.375 0.4375 0.5 0.5625 0.625 0.75
PP 粗牙/UNC 160 120 90 80 64 56 48 40 40 32 - 32 24 24 - 20 - - 18 - - 16 14 13 12 11 10
dk 最大值 0.041 0.062 0.089 0.113 0.138 0.162 0.187 0.211 0.236 0.26 0.285 0.309 0.359 0.408 0.457 0.472 0.506 0.555 0.59 0.604 0.702 0.708 0.75 0.813 0.938 1 1.25
最小值 0.035 0.056 0.08 0.099 0.122 0.146 0.169 0.193 0.217 0.24 0.264 0.287 0.334 0.382 0.429 0.443 0.476 0.523 0.557 0.57 0.664 0.67 0.707 0.766 0.887 0.944 1.185
k 最大值 0.022 0.031 0.045 0.053 0.061 0.069 0.078 0.086 0.095 0.103 0.111 0.12 0.137 0.153 0.17 0.175 0.187 0.204 0.216 0.22 0.254 0.256 0.328 0.355 0.41 0.438 0.547
最小值 0.016 0.025 0.036 0.043 0.051 0.059 0.067 0.075 0.083 0.091 0.099 0.107 0.123 0.139 0.155 0.16 0.171 0.187 0.198 0.203 0.235 0.237 0.307 0.332 0.385 0.411 0.516
n 最大值 0.008 0.012 0.017 0.023 0.026 0.031 0.035 0.039 0.043 0.048 0.048 0.054 0.06 0.067 0.075 0.075 0.075 0.084 0.084 0.084 0.094 0.094 0.094 0.106 0.118 0.133 0.149
最小值 0.004 0.008 0.01 0.016 0.019 0.023 0.027 0.031 0.035 0.039 0.039 0.045 0.05 0.056 0.064 0.064 0.064 0.072 0.072 0.072 0.081 0.081 0.081 0.091 0.102 0.116 0.131
t 最大值 0.017 0.018 0.026 0.039 0.044 0.048 0.053 0.058 0.063 0.068 0.072 0.077 0.087 0.096 0.106 0.109 0.115 0.125 0.132 0.134 0.154 0.155 0.196 0.211 0.242 0.258 0.32
最小值 0.013 0.012 0.018 0.029 0.033 0.037 0.04 0.044 0.047 0.051 0.055 0.058 0.065 0.073 0.08 0.082 0.087 0.094 0.099 0.101 0.116 0.117 0.148 0.159 0.183 0.195 0.242
①,其他凹槽型式请点击标题下方的“采用标准”
③,7#, 14#,16#,18#,20#,24#仅用于自攻螺钉。
④,0000#, 000#, 00#, 9/16, 5/8, 3/4 仅用于机械螺钉。
⑤,ds应不小于2A级螺纹最小中径,并不大于公称(基本)螺纹大径。
⑥,机械螺钉的螺纹长度:
1)螺纹规格≤5#:
公称长度≤3倍公称直径的应为满扣产品,头下螺纹肩距≤1倍螺距。
公称长度>3倍公称直径到 1-1/8 in 的,允许头下肩距最大不超过2倍螺距。
若无其他规定,长螺钉的最小螺纹长度为1 in 。
2)螺纹规格≥6#:
公称长度≤3倍公称直径的应为满扣产品,头下螺纹肩距≤1倍螺距。
公称长度>3倍公称直径到 2 in 的,允许头下螺纹肩距最大不超过2倍螺距。
若无其他规定,长螺纹最小螺纹长度为 1.5 in 。