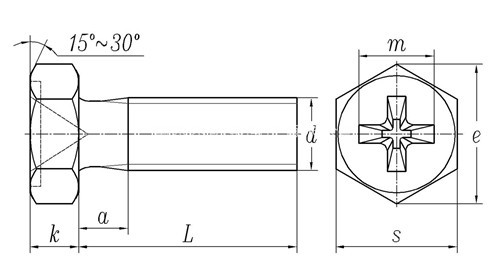
GB/ T 29.2 - 2013 六角头带十字槽螺栓
工艺:
详细信息
GB/T 29.2 - 2013 六角头带十字槽螺栓
材质、等级:4.8级、8.8级、10.9级、12.9级、304、316等。
表面处理:环保蓝白锌,环保彩锌,环保达克罗,锌镍合金,镀镍,环保黑锌等。
盐雾时间:可做48H、72H、120H、240H等。
可做十字一字复合槽、防盗槽型、锁紧螺纹、涂胶螺钉等,可根据客户要求进行定制。
电话咨询:400-086-0001 025-86183701-8026
徐小姐
邮件咨询:dm8026@18luosi.com
QQ咨询:2850588428

| 公称直径 | M4 | M5 | M6 | M8 | |
| P | 螺距 | 0.7 | 0.8 | 1 | 1.25 |
| k | 最大值 | 3 | 3.74 | 4.24 | 5.54 |
| 最小值 | 2.6 | 3.26 | 3.76 | 5.06 | |
| s | 最大值 | 7 | 8 | 10 | 13 |
| 最小值 | 6.64 | 7.64 | 9.64 | 12.57 | |
| 槽号 | 2 | 2 | 3 | 3 | |
| m | 4 | 4.8 | 6.2 | 7.2 | |