ISO 14580 - 2011 梅花槽圆柱头螺钉
工艺:
详细信息
ISO 14580 - 2011 梅花槽圆柱头螺钉
材质、等级:4.8级、8.8级、10.9级、12.9级、304、316等。
表面处理:环保蓝白锌,环保彩锌,环保达克罗,锌镍合金,镀镍,环保黑锌等。
盐雾时间:可做48H、72H、120H、240H等。
可做十字一字复合槽、防盗槽型、锁紧螺纹、涂胶螺钉等,可根据客户要求进行定制。
电话咨询:400-086-0001 025-86183701-8026
徐小姐
邮件咨询:dm8026@18luosi.com
QQ咨询:2850588428

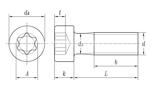
| 公称直径 | M2 | M2.5 | M3 | (M3.5) | M4 | M5 | M6 | M8 | M10 | |
| P | 螺距 | 0.4 | 0.45 | 0.5 | 0.6 | 0.7 | 0.8 | 1 | 1.25 | 1.5 |
| b | 最小值 | 25 | 25 | 25 | 38 | 38 | 38 | 38 | 38 | 38 |
| dk | 最大值=公称 | 3.8 | 4.5 | 5.5 | 6 | 7 | 8.5 | 10 | 13 | 16 |
| 最小值 | 3.62 | 4.32 | 5.32 | 5.82 | 6.78 | 8.28 | 9.78 | 12.73 | 15.73 | |
| k | 最大值=公称 | 1.55 | 1.85 | 2.4 | 2.6 | 3.1 | 3.65 | 4.4 | 5.8 | 6.9 |
| 最小值 | 1.41 | 1.71 | 2.26 | 2.46 | 2.92 | 3.47 | 4.1 | 5.5 | 6.54 | |
| 槽号 | 6 | 8 | 10 | 15 | 20 | 25 | 30 | 45 | 50 | |
| A | 参考值 | 1.75 | 2.4 | 2.8 | 3.35 | 3.95 | 4.5 | 5.6 | 7.95 | 8.95 |
| t | 最大值 | 0.84 | 0.91 | 1.27 | 1.33 | 1.66 | 1.91 | 2.29 | 3.05 | 3.43 |
| 最小值 | 0.71 | 0.78 | 1.01 | 1.07 | 1.27 | 1.52 | 1.9 | 2.66 | 3.04 | |