GB/T 837 - 1988 开槽盘头不脱出螺钉
工艺:
详细信息
GB/ T 837 - 1988 开槽盘头不脱出螺钉
材质、等级:4.8级、8.8级、10.9级、12.9级、304、316等。
表面处理:环保蓝白锌,环保彩锌,环保达克罗,锌镍合金,镀镍,环保黑锌等。
盐雾时间:可做48H、72H、120H、240H等。
可做十字一字复合槽、防盗槽型、锁紧螺纹、涂胶螺钉等,可根据客户要求进行定制。
电话咨询:400-086-0001 025-86183701-8026
徐小姐
邮件咨询:dm8026@18luosi.com
QQ咨询:2850588428

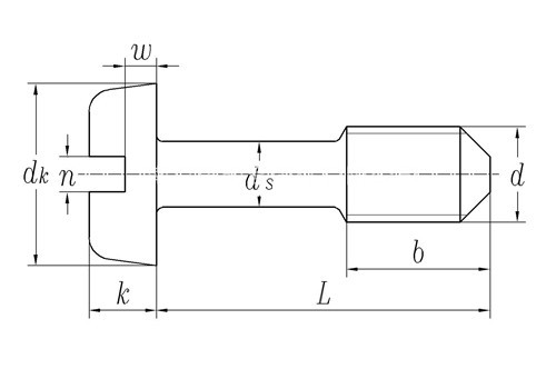
| 公称直径 | M3 | M4 | M5 | M6 | M8 | M10 | |
| P | 螺距 | 0.5 | 0.7 | 0.8 | 1 | 1.25 | 1.5 |
| b | 螺纹长度 | 4 | 6 | 8 | 10 | 12 | 15 |
| dk | 最大值 | 5.6 | 8 | 9.5 | 12 | 16 | 20 |
| 最小值 | 5.3 | 7.64 | 9.14 | 11.57 | 15.57 | 19.48 | |
| k | 最大值 | 1.8 | 2.4 | 3 | 3.6 | 4.8 | 6 |
| 最小值 | 1.6 | 2.2 | 2.8 | 3.3 | 4.5 | 5.7 | |
| n | 公称 | 0.8 | 1.2 | 1.2 | 1.6 | 2 | 2.5 |
| 最大值 | 1 | 1.51 | 1.51 | 1.91 | 2.31 | 2.81 | |
| 最小值 | 0.86 | 1.26 | 1.26 | 1.66 | 2.06 | 2.56 | |
| w | 最小值 | 0.7 | 1 | 1.2 | 1.4 | 1.9 | 2.4 |
| ds | 最大值 | 2 | 2.8 | 3.5 | 4.5 | 5.5 | 7 |
| 最小值 | 1.86 | 2.66 | 3.32 | 4.32 | 5.32 | 6.78 | |