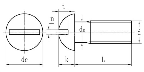
ANSIASME B 18.6.3 - 2013 开槽圆头螺钉 [Table 35]
工艺:
详细信息
ANSIASME B 18.6.3 - 2013 开槽圆头螺钉 [Table 35]
材质、等级:4.8级、8.8级、10.9级、12.9级、304、316等。
表面处理:环保蓝白锌,环保彩锌,环保达克罗,锌镍合金,镀镍,环保黑锌等。
盐雾时间:可做48H、72H、120H、240H等。
可做十字一字复合槽、防盗槽型、锁紧螺纹、涂胶螺钉等,可根据客户要求进行定制。
电话咨询:400-086-0001 025-86183701-8026
徐小姐
邮件咨询:dm8026@18luosi.com
QQ咨询:2850588428

| 螺纹尺寸 d | 0000# | 000#④ | 00# ④ | 0# | 1# | 2# | 3# | 4# | 5# | 6# | 7# ③ | 8# | 10# | 12# | 14# ③ | 1/4 | 16# ③ | 18# ③ | 5/16 | 20# ③ | 24# ③ | 3/8 | 7/16 | 1/2 | 9/16④ | 5/8 ④ | 3/4 ④ | |
| d | 公称 | 0.021 | 0.034 | 0.047 | 0.06 | 0.073 | 0.086 | 0.099 | 0.112 | 0.125 | 0.138 | 0.151 | 0.164 | 0.19 | 0.216 | 0.242 | 0.25 | 0.268 | 0.294 | 0.3125 | 0.32 | 0.372 | 0.375 | 0.4375 | 0.5 | 0.5625 | 0.625 | 0.75 |
| PP | 粗牙/UNC | 160 | 120 | 90 | 80 | 64 | 56 | 48 | 40 | 40 | 32 | - | 32 | 24 | 24 | - | 20 | - | - | 18 | - | - | 16 | 14 | 13 | 12 | 11 | 10 |
| dk | 最大值 | 0.041 | 0.062 | 0.089 | 0.113 | 0.138 | 0.162 | 0.187 | 0.211 | 0.236 | 0.26 | 0.285 | 0.309 | 0.359 | 0.408 | 0.457 | 0.472 | 0.506 | 0.555 | 0.59 | 0.604 | 0.702 | 0.708 | 0.75 | 0.813 | 0.938 | 1 | 1.25 |
| 最小值 | 0.035 | 0.056 | 0.08 | 0.099 | 0.122 | 0.146 | 0.169 | 0.193 | 0.217 | 0.24 | 0.264 | 0.287 | 0.334 | 0.382 | 0.429 | 0.443 | 0.476 | 0.523 | 0.557 | 0.57 | 0.664 | 0.67 | 0.707 | 0.766 | 0.887 | 0.944 | 1.185 | |
| k | 最大值 | 0.022 | 0.031 | 0.045 | 0.053 | 0.061 | 0.069 | 0.078 | 0.086 | 0.095 | 0.103 | 0.111 | 0.12 | 0.137 | 0.153 | 0.17 | 0.175 | 0.187 | 0.204 | 0.216 | 0.22 | 0.254 | 0.256 | 0.328 | 0.355 | 0.41 | 0.438 | 0.547 |
| 最小值 | 0.016 | 0.025 | 0.036 | 0.043 | 0.051 | 0.059 | 0.067 | 0.075 | 0.083 | 0.091 | 0.099 | 0.107 | 0.123 | 0.139 | 0.155 | 0.16 | 0.171 | 0.187 | 0.198 | 0.203 | 0.235 | 0.237 | 0.307 | 0.332 | 0.385 | 0.411 | 0.516 | |
| n | 最大值 | 0.008 | 0.012 | 0.017 | 0.023 | 0.026 | 0.031 | 0.035 | 0.039 | 0.043 | 0.048 | 0.048 | 0.054 | 0.06 | 0.067 | 0.075 | 0.075 | 0.075 | 0.084 | 0.084 | 0.084 | 0.094 | 0.094 | 0.094 | 0.106 | 0.118 | 0.133 | 0.149 |
| 最小值 | 0.004 | 0.008 | 0.01 | 0.016 | 0.019 | 0.023 | 0.027 | 0.031 | 0.035 | 0.039 | 0.039 | 0.045 | 0.05 | 0.056 | 0.064 | 0.064 | 0.064 | 0.072 | 0.072 | 0.072 | 0.081 | 0.081 | 0.081 | 0.091 | 0.102 | 0.116 | 0.131 | |
| t | 最大值 | 0.017 | 0.018 | 0.026 | 0.039 | 0.044 | 0.048 | 0.053 | 0.058 | 0.063 | 0.068 | 0.072 | 0.077 | 0.087 | 0.096 | 0.106 | 0.109 | 0.115 | 0.125 | 0.132 | 0.134 | 0.154 | 0.155 | 0.196 | 0.211 | 0.242 | 0.258 | 0.32 |
| 最小值 | 0.013 | 0.012 | 0.018 | 0.029 | 0.033 | 0.037 | 0.04 | 0.044 | 0.047 | 0.051 | 0.055 | 0.058 | 0.065 | 0.073 | 0.08 | 0.082 | 0.087 | 0.094 | 0.099 | 0.101 | 0.116 | 0.117 | 0.148 | 0.159 | 0.183 | 0.195 | 0.242 | |
| ①,其他凹槽型式请点击标题下方的“采用标准” | ||||||||||||||||||||||||||||
| ③,7#, 14#,16#,18#,20#,24#仅用于自攻螺钉。 | ||||||||||||||||||||||||||||
| ④,0000#, 000#, 00#, 9/16, 5/8, 3/4 仅用于机械螺钉。 | ||||||||||||||||||||||||||||
| ⑤,ds应不小于2A级螺纹最小中径,并不大于公称(基本)螺纹大径。 | ||||||||||||||||||||||||||||
| ⑥,机械螺钉的螺纹长度: | ||||||||||||||||||||||||||||
| 1)螺纹规格≤5#: | ||||||||||||||||||||||||||||
| 公称长度≤3倍公称直径的应为满扣产品,头下螺纹肩距≤1倍螺距。 | ||||||||||||||||||||||||||||
| 公称长度>3倍公称直径到 1-1/8 in 的,允许头下肩距最大不超过2倍螺距。 | ||||||||||||||||||||||||||||
| 若无其他规定,长螺钉的最小螺纹长度为1 in 。 | ||||||||||||||||||||||||||||
| 2)螺纹规格≥6#: | ||||||||||||||||||||||||||||
| 公称长度≤3倍公称直径的应为满扣产品,头下螺纹肩距≤1倍螺距。 | ||||||||||||||||||||||||||||
| 公称长度>3倍公称直径到 2 in 的,允许头下螺纹肩距最大不超过2倍螺距。 | ||||||||||||||||||||||||||||
| 若无其他规定,长螺纹最小螺纹长度为 1.5 in 。 | ||||||||||||||||||||||||||||