GB/T 6191 - 1986 8.8级 内六角花形圆柱头螺钉
工艺:
详细信息
GB/T 6191 - 1986 8.8级 内六角花形圆柱头螺钉
材质、等级:4.8级、8.8级、10.9级、12.9级、304、316等。
表面处理:环保蓝白锌,环保彩锌,环保达克罗,锌镍合金,镀镍,环保黑锌等。
盐雾时间:可做48H、72H、120H、240H等。
可做十字一字复合槽、防盗槽型、锁紧螺纹、涂胶螺钉等,可根据客户要求进行定制。
电话咨询:400-086-0001 025-86183701-8026
徐小姐
邮件咨询:dm8026@18luosi.com
QQ咨询:2850588428

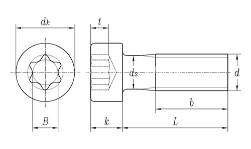
| 公称直径 | M6 | M8 | M10 | M12 | (M14) | M16 | M20 | |
| P | 螺距 | 1 | 1.25 | 1.5 | 1.75 | 2 | 2 | 2.5 |
| b | 最小值 | 24 | 28 | 32 | 36 | 40 | 44 | 52 |
| dk | 最大值 | 10 | 13 | 16 | 18 | 21 | 24 | 30 |
| 最小值 | 9.78 | 12.73 | 15.73 | 17.73 | 20.67 | 23.67 | 29.67 | |
| k | 最大值 | 3.9 | 5 | 6 | 7 | 9 | 11 | 13 |
| 最小值 | 3.6 | 4.7 | 5.7 | 6.64 | 8.64 | 10.57 | 12.57 | |
| 槽号 | T30 | T40 | T50 | T55 | T55 | T60 | T80 | |
| B | 最大值 | 4.15 | 5 | 6.62 | 8.2 | 8.2 | 9.8 | 13 |
| t | 最大值 | 2 | 2.6 | 3 | 3.8 | 4 | 4.5 | 7 |
| 最小值 | 1.6 | 2.2 | 2.6 | 3.32 | 3.52 | 4.02 | 6.42 | |