GB/ T 2673 - 2007 内六角花形沉头螺钉
工艺:
详细信息
GB/T 2673 - 2007 内六角花形沉头螺钉
材质、等级:4.8级、8.8级、10.9级、12.9级、304、316等。
表面处理:环保蓝白锌,环保彩锌,环保达克罗,锌镍合金,镀镍,环保黑锌等。
盐雾时间:可做48H、72H、120H、240H等。
可做十字一字复合槽、防盗槽型、锁紧螺纹、涂胶螺钉等,可根据客户要求进行定制。
电话咨询:400-086-0001 025-86183701-8026
徐小姐
邮件咨询:dm8026@18luosi.com
QQ咨询:2850588428
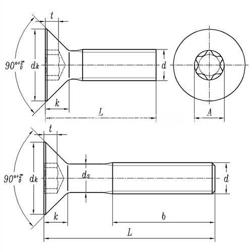
公称直径 | M6 | M8 | M10 | M12 | (M14) | M16 | M20 | |
P | 螺距 | 1 | 1.25 | 1.5 | 1.75 | 2 | 2 | 2.5 |
b | 最小值 | 38 | 38 | 38 | 48 | 48 | 48 | 48 |
dk | 最大值 | 11.3 | 15.8 | 18.3 | 22 | 25.5 | 29 | 36 |
最小值 | 10.9 | 15.4 | 17.8 | 21.5 | 25 | 28.5 | 35.4 | |
k | 最大值 | 3.3 | 4.65 | 5 | 6 | 7 | 8 | 10 |
槽号 | T30 | T40 | T50 | T55 | T55 | T60 | T80 | |
A | 参考值 | 5.6 | 6.75 | 8.95 | 11.35 | 11.35 | 13.45 | 17.75 |
t | 最大值 | 1.8 | 2.5 | 2.7 | 3.5 | 3.7 | 4.1 | 6 |
最小值 | 1.4 | 2.1 | 2.3 | 3.02 | 3.22 | 3.62 | 5.42 |