ISO 14579 - 2011 梅花槽圆柱头螺钉
工艺:
详细信息
ISO 14579 - 2011 梅花槽圆柱头螺钉
材质、等级:4.8级、8.8级、10.9级、12.9级、304、316等。
表面处理:环保蓝白锌,环保彩锌,环保达克罗,锌镍合金,镀镍,环保黑锌等。
盐雾时间:可做48H、72H、120H、240H等。
可做十字一字复合槽、防盗槽型、锁紧螺纹、涂胶螺钉等,可根据客户要求进行定制。
电话咨询:400-086-0001 025-86183701-8026
徐小姐
邮件咨询:dm8026@18luosi.com
QQ咨询:2850588428
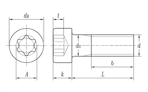
公称直径 | M2 | M2.5 | M3 | M4 | M5 | M6 | M8 | M10 | M12 | (M14) | M16 | (M18) | M20 | |
P | 螺距 | 0.4 | 0.45 | 0.5 | 0.7 | 0.8 | 1 | 1.25 | 1.5 | 1.75 | 2 | 2 | 2.5 | 2.5 |
dk | 最大值(平头) | 3.8 | 4.5 | 5.5 | 7 | 8.5 | 10 | 13 | 16 | 18 | 21 | 24 | 27 | 30 |
最大值(滚花) | 3.98 | 4.68 | 5.68 | 7.22 | 8.72 | 10.22 | 13.27 | 16.27 | 18.27 | 21.33 | 24.33 | 27.33 | 30.33 | |
最小值 | 3.62 | 4.32 | 5.32 | 6.78 | 8.28 | 9.78 | 12.73 | 15.73 | 17.73 | 20.67 | 23.67 | 26.67 | 29.67 | |
k | 最大值 | 2 | 2.5 | 3 | 4 | 5 | 6 | 8 | 10 | 12 | 14 | 16 | 18 | 20 |
最小值 | 1.86 | 2.36 | 2.86 | 3.82 | 4.82 | 5.7 | 7.64 | 9.64 | 11.57 | 13.57 | 15.57 | 17.57 | 19.48 | |
槽号 | 6 | 8 | 10 | 20 | 25 | 30 | 45 | 50 | 55 | 60 | 70 | 80 | 90 | |
A | 参考值 | 1.75 | 2.4 | 2.8 | 3.95 | 4.5 | 5.6 | 7.95 | 8.95 | 11.35 | 13.45 | 15.7 | 17.75 | 20.2 |
t | 最大值 | 0.84 | 1.04 | 1.27 | 1.8 | 2.03 | 2.42 | 3.31 | 4.02 | 5.21 | 5.99 | 7.01 | 8 | 9.2 |
最小值 | 0.71 | 0.91 | 1.01 | 1.42 | 1.65 | 2.02 | 2.92 | 3.62 | 4.82 | 5.62 | 6.62 | 7.5 | 8.69 |