ISO 14580 - 2011 梅花槽圆柱头螺钉

工艺:

详细信息

ISO 14580 - 2011 梅花槽圆柱头螺钉

 

材质、等级:4.8级、8.8级、10.9级、12.9级、304、316等。

 

表面处理:环保蓝白锌,环保彩锌,环保达克罗,锌镍合金,镀镍,环保黑锌等。

 

盐雾时间:可做48H、72H、120H、240H等。

 

可做十字一字复合槽、防盗槽型、锁紧螺纹、涂胶螺钉等,可根据客户要求进行定制。

 

电话咨询:400-086-0001 025-86183701-8026

 

徐小姐

 

邮件咨询:dm8026@18luosi.com

 

QQ咨询:2850588428 

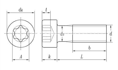
公称直径 M2 M2.5 M3 (M3.5) M4 M5 M6 M8 M10
P 螺距 0.4 0.45 0.5 0.6 0.7 0.8 1 1.25 1.5
b 最小值 25 25 25 38 38 38 38 38 38
dk 最大值=公称 3.8 4.5 5.5 6 7 8.5 10 13 16
最小值 3.62 4.32 5.32 5.82 6.78 8.28 9.78 12.73 15.73
k 最大值=公称 1.55 1.85 2.4 2.6 3.1 3.65 4.4 5.8 6.9
最小值 1.41 1.71 2.26 2.46 2.92 3.47 4.1 5.5 6.54
槽号 6 8 10 15 20 25 30 45 50
A 参考值 1.75 2.4 2.8 3.35 3.95 4.5 5.6 7.95 8.95
t 最大值 0.84 0.91 1.27 1.33 1.66 1.91 2.29 3.05 3.43
最小值 0.71 0.78 1.01 1.07 1.27 1.52 1.9 2.66 3.04