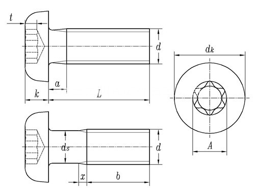
ISO 14583 - 2011 梅花槽盘头螺钉
工艺:
详细信息
ISO 14583 - 2011 梅花槽盘头螺钉
材质、等级:4.8级、8.8级、10.9级、12.9级、304、316等。
表面处理:环保蓝白锌,环保彩锌,环保达克罗,锌镍合金,镀镍,环保黑锌等。
盐雾时间:可做48H、72H、120H、240H等。
可做十字一字复合槽、防盗槽型、锁紧螺纹、涂胶螺钉等,可根据客户要求进行定制。
电话咨询:400-086-0001 025-86183701-8026
徐小姐
邮件咨询:dm8026@18luosi.com
QQ咨询:2850588428
公称直径 | M2 | M2.5 | M3 | (M3.5) | M4 | M5 | M6 | M8 | M10 | |
P | 螺距 | 0.4 | 0.45 | 0.5 | 0.6 | 0.7 | 0.8 | 1 | 1.25 | 1.5 |
b | 最小值 | 25 | 25 | 25 | 38 | 38 | 38 | 38 | 38 | 38 |
dk | 最大值=公称 | 4 | 5 | 5.6 | 7 | 8 | 9.5 | 12 | 16 | 20 |
最小值 | 3.7 | 4.7 | 5.3 | 6.64 | 7.64 | 9.14 | 11.57 | 15.57 | 19.48 | |
k | 最大值=公称 | 1.6 | 2.1 | 2.4 | 2.6 | 3.1 | 3.7 | 4.6 | 6 | 7.5 |
最小值 | 1.46 | 1.96 | 2.26 | 2.46 | 2.92 | 3.52 | 4.3 | 5.7 | 7.14 | |
槽号 | T6 | T8 | T10 | T15 | T20 | T25 | T30 | T45 | T50 | |
A | 参考值 | 1.75 | 2.4 | 2.8 | 3.35 | 3.95 | 4.5 | 5.6 | 7.95 | 8.95 |
t | 最大值 | 0.77 | 1.04 | 1.27 | 1.33 | 1.66 | 1.91 | 2.42 | 3.18 | 4.02 |
最小值 | 0.63 | 0.91 | 1.01 | 1.07 | 1.27 | 1.52 | 2.02 | 2.79 | 3.62 |