GB/ T 65 - 2016 开槽圆柱头螺钉
工艺:
详细信息
GB/ T 65 - 2016 开槽圆柱头螺钉
材质、等级:4.8级、8.8级、10.9级、12.9级、304、316等。
表面处理:环保蓝白锌,环保彩锌,环保达克罗,锌镍合金,镀镍,环保黑锌等。
盐雾时间:可做48H、72H、120H、240H等。
可做十字一字复合槽、防盗槽型、锁紧螺纹、涂胶螺钉等,可根据客户要求进行定制。
电话咨询:400-086-0001 025-86183701-8026
徐小姐
邮件咨询:dm8026@18luosi.com
QQ咨询:2850588428

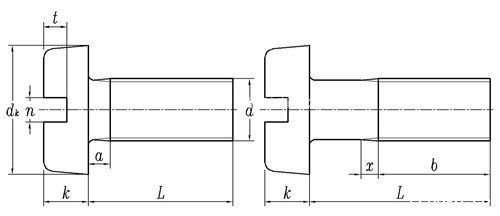
| 公称直径 | M1.6 | M2 | M2.5 | M3 | (M3.5) | M4 | M5 | M6 | M8 | M10 | ||
| P | 螺距 | 0.35 | 0.4 | 0.45 | 0.5 | 0.6 | 0.7 | 0.8 | 1 | 1.25 | 1.5 | |
| a | 全牙 | 最大值 | 0.7 | 0.8 | 0.9 | 1 | 1.2 | 1.4 | 1.6 | 2 | 2.5 | 3 |
| b | 半牙 | 最小值 | 25 | 25 | 25 | 25 | 38 | 38 | 38 | 38 | 38 | 38 |
| dk | 最大值=公称 | 3 | 3.8 | 4.5 | 5.5 | 6 | 7 | 8.5 | 10 | 13 | 16 | |
| 最小值 | 2.86 | 3.62 | 4.32 | 5.32 | 5.82 | 6.78 | 8.28 | 9.78 | 12.73 | 15.73 | ||
| k | 最大值=公称 | 1.1 | 1.4 | 1.8 | 2 | 2.4 | 2.6 | 3.3 | 3.9 | 5 | 6 | |
| 最小值 | 0.96 | 1.26 | 1.66 | 1.86 | 2.26 | 2.46 | 3.12 | 3.6 | 4.7 | 5.7 | ||
| n | 公称 | 0.4 | 0.5 | 0.6 | 0.8 | 1 | 1.2 | 1.2 | 1.6 | 2 | 2.5 | |
| 最大值 | 0.6 | 0.7 | 0.8 | 1 | 1.2 | 1.51 | 1.51 | 1.91 | 2.31 | 2.81 | ||
| 最小值 | 0.46 | 0.56 | 0.66 | 0.86 | 1.06 | 1.26 | 1.26 | 1.66 | 2.06 | 2.56 | ||
| t | 最小值 | 0.45 | 0.6 | 0.7 | 0.85 | 1 | 1.1 | 1.3 | 1.6 | 2 | 2.4 | |
| x | 最大值 | 0.9 | 1 | 1.1 | 1.25 | 1.5 | 1.75 | 2 | 2.5 | 3.2 | 3.8 | |
| ①,尽可能不采用括号内的规格 | ||||||||||||
| ②,公称长度<35~45mm的螺钉,制出全螺纹(b=L-a) | ||||||||||||