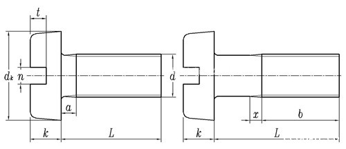
DIN 84 - 1990 开槽圆柱头螺钉
工艺:
详细信息
DIN 84 - 1990 开槽圆柱头螺钉
材质、等级:4.8级、8.8级、10.9级、12.9级、304、316等。
表面处理:环保蓝白锌,环保彩锌,环保达克罗,锌镍合金,镀镍,环保黑锌等。
盐雾时间:可做48H、72H、120H、240H等。
可做十字一字复合槽、防盗槽型、锁紧螺纹、涂胶螺钉等,可根据客户要求进行定制。
电话咨询:400-086-0001 025-86183701-8026
徐小姐
邮件咨询:dm8026@18luosi.com
QQ咨询:2850588428

| 公称直径 | M1 | M1.2 | M1.4 | M1.6 | M1.8 | M2 | M2.5 | M3 | M3.5 | M4 | M5 | M6 | M8 | M10 | |
| P | 螺距 | 0.25 | 0.25 | 0.3 | 0.35 | 0.35 | 0.4 | 0.45 | 0.5 | 0.6 | 0.7 | 0.8 | 1 | 1.25 | 1.5 |
| b | 25 | 25 | 25 | 25 | 25 | 25 | 25 | 25 | 38 | 38 | 38 | 38 | 38 | 38 | |
| dk | 最大值 | 2 | 2.3 | 2.6 | 3 | 3.4 | 3.8 | 4.5 | 5.5 | 6 | 7 | 8.5 | 10 | 13 | 16 |
| 最小值 | 1.86 | 2.16 | 2.46 | 2.86 | 3.22 | 3.62 | 4.32 | 5.32 | 5.82 | 6.78 | 8.28 | 9.78 | 12.73 | 15.73 | |
| k | 最大值 | 0.7 | 0.8 | 0.9 | 1 | 1.2 | 1.3 | 1.6 | 2 | 2.4 | 2.6 | 3.3 | 3.9 | 5 | 6 |
| 最小值 | 0.56 | 0.66 | 0.76 | 0.68 | 1.06 | 1.16 | 1.46 | 1.86 | 2.26 | 2.46 | 3.12 | 3.6 | 4.7 | 5.7 | |
| n | 最大值 | 0.45 | 0.5 | 0.5 | 0.6 | 0.6 | 0.7 | 0.8 | 1 | 1.2 | 1.51 | 1.51 | 1.91 | 2.31 | 2.81 |
| 最小值 | 0.31 | 0.36 | 0.36 | 0.46 | 0.46 | 0.56 | 0.66 | 0.86 | 1.06 | 1.26 | 1.26 | 1.66 | 2.06 | 2.56 | |
| t | 最小值 | 0.25 | 0.3 | 0.4 | 0.45 | 0.5 | 0.6 | 0.7 | 0.85 | 1 | 1.1 | 1.3 | 1.6 | 2 | 2.4 |