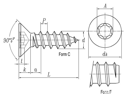
ISO 14586 - 2011 梅花槽沉头自攻螺钉
工艺:
详细信息
ISO 14586 - 2011 梅花槽沉头自攻螺钉
材质、等级:4.8级、8.8级、10.9级、12.9级、304、316等。
表面处理:环保蓝白锌,环保彩锌,环保达克罗,锌镍合金,镀镍,环保黑锌等。
盐雾时间:可做48H、72H、120H、240H等。
可做十字一字复合槽、防盗槽型、锁紧螺纹、涂胶螺钉等,可根据客户要求进行定制。
电话咨询:400-086-0001 025-86183701-8026
徐小姐
邮件咨询:dm8026@18luosi.com
QQ咨询:2850588428

| 公称直径 | ST2.9 | ST3.5 | ST4.2 | ST4.8 | ST5.5 | ST6.3 | ||
| P | 螺距 | 1.1 | 1.3 | 1.4 | 1.6 | 1.8 | 1.8 | |
| dk | 理论 | 最大值 | 6.3 | 8.2 | 9.4 | 10.4 | 11.5 | 12.6 |
| 实际 | 最大值 | 5.5 | 7.3 | 8.4 | 9.3 | 10.3 | 11.3 | |
| 最小值 | 5.2 | 6.9 | 8 | 8.9 | 9.9 | 10.9 | ||
| k | 最大值 | 1.7 | 2.35 | 2.6 | 2.8 | 3 | 3.15 | |
| 槽号 | 10 | 15 | 20 | 25 | 25 | 30 | ||
| A | 参考值 | 2.8 | 3.35 | 3.95 | 4.5 | 4.5 | 5.6 | |
| t | 最大值 | 0.91 | 1.3 | 1.58 | 1.78 | 2.03 | 2.42 | |
| 最小值 | 0.65 | 1 | 1.14 | 1.39 | 1.65 | 2.02 | ||